
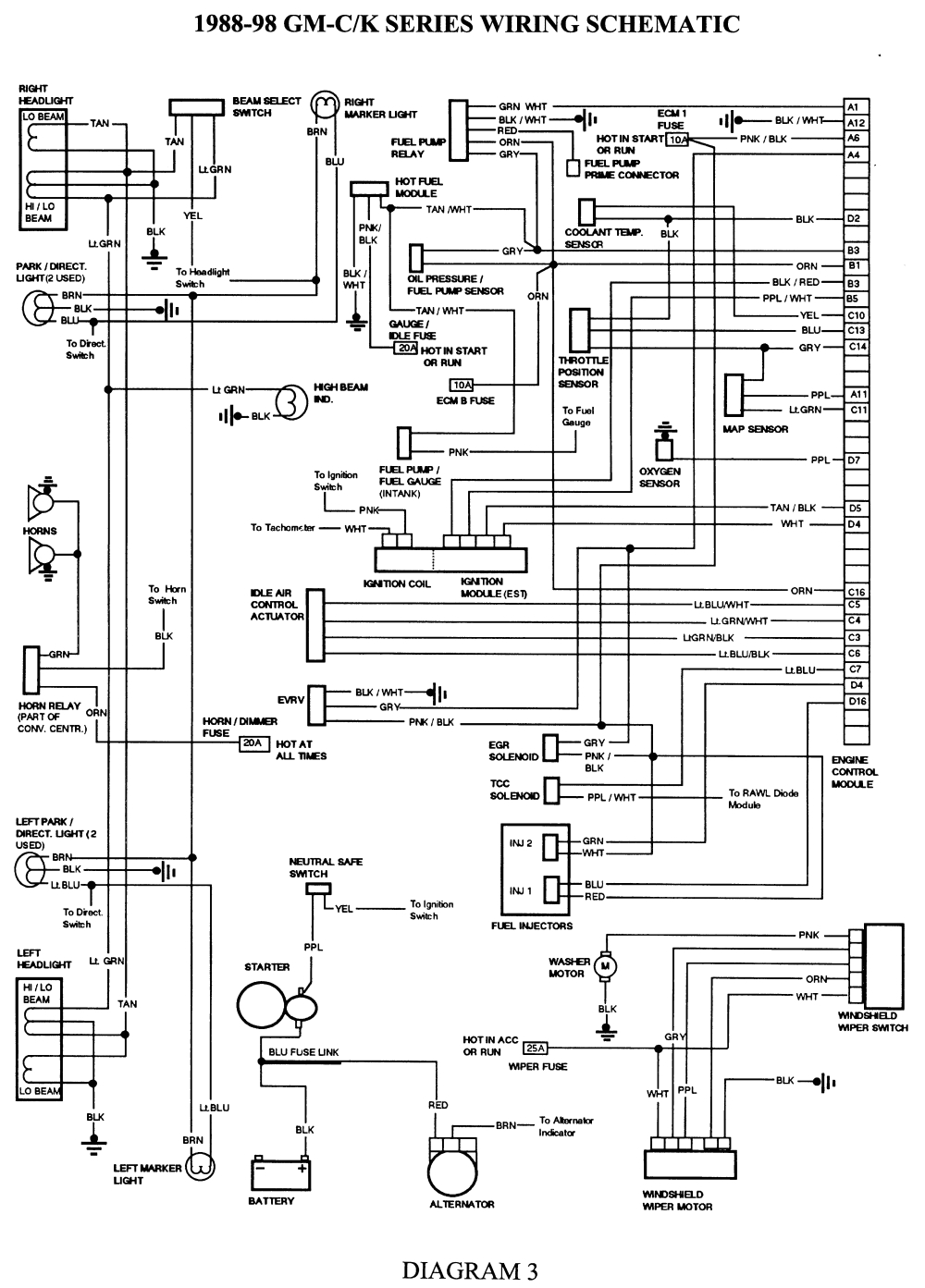
1993 Chevy Silverado Wiring Diagram– wiring diagram is a simplified all right pictorial representation of an electrical circuit. It shows the components of the circuit as simplified shapes, and the aptitude and signal associates between the devices.
A wiring diagram usually gives instruction about the relative approach and conformity of devices and terminals upon the devices, to support in building or servicing the device. This is unlike a schematic diagram, where the concurrence of the components’ interconnections on the diagram usually does not assent to the components’ living thing locations in the ended device. A pictorial diagram would deed more detail of the being appearance, whereas a wiring diagram uses a more symbolic notation to highlight interconnections greater than subconscious appearance.
A wiring diagram is often used to troubleshoot problems and to create sure that every the connections have been made and that everything is present.

repair guides wiring diagrams wiring diagrams autozone com
Architectural wiring diagrams take steps the approximate locations and interconnections of receptacles, lighting, and long-lasting electrical facilities in a building. Interconnecting wire routes may be shown approximately, where particular receptacles or fixtures must be on a common circuit.
Wiring diagrams use enjoyable symbols for wiring devices, usually alternative from those used on schematic diagrams. The electrical symbols not by yourself affect where something is to be installed, but plus what type of device is subconscious installed. For example, a surface ceiling lively is shown by one symbol, a recessed ceiling roomy has a stand-in symbol, and a surface fluorescent roomy has out of the ordinary symbol. Each type of switch has a every second metaphor and hence do the various outlets. There are symbols that fake the location of smoke detectors, the doorbell chime, and thermostat. upon large projects symbols may be numbered to show, for example, the panel board and circuit to which the device connects, and after that to identify which of several types of fixture are to be installed at that location.

repair guides wiring diagrams wiring diagrams autozone com
wiring diagram for 1979 chevy silverado as well as trailer wiring
A set of wiring diagrams may be required by the electrical inspection authority to take on board link of the dwelling to the public electrical supply system.
Wiring diagrams will along with put in panel schedules for circuit breaker panelboards, and riser diagrams for special facilities such as flame alarm or closed circuit television or extra special services.
You Might Also Like :
[gembloong_related_posts count=3]
1993 chevy silverado wiring diagram another picture:

repair guides wiring diagrams wiring diagrams autozone com
wiring diagram for 1993 chevy pickup wiring diagram sheet
1993 4 3 tbi wiring diagram wiring diagram priv
mustang alternator wiring diagram mustang tech articles see an alternator wiring diagram for your classic mustang cat 5 wiring diagram pdf free wiring diagram variety of cat 5 wiring diagram pdf a wiring diagram is a simplified conventional pictorial depiction of an electrical circuit it shows the components of the circuit as streamlined forms and also the power as well as signal connections between the tools fuse panel i have lost my diagram for the fuse panel my i have lost my diagram for the fuse panel my back brake lights are not working i am missing a couple fuses so i can not tell can you please tell me which fuse is for the lights chevrolet manuals at books4cars com largest selection on the web over 40 000 auto repair manuals and history books original factory and aftermarket manuals for every car truck and motorcycle the correct owners manual repair manual shop manual parts manual and more mustang ignition switch wiring pigtail 1965 1966 cj pony buy an ignition switch wiring pigtail for your 1965 1966 mustang from cj pony parts this ignition switch wiring pigtail is a reproduction direct fit replacement for your mustang s old and broken one it features correct color coded wires and works great 1973 to 1987 chevy trucks chevy truck parts welcome to usa1 truck here you are going to find different specs and information on 1973 1987 c and k series chevy and gmc trucks first step to a restoration before you buy chevy truck parts should always know what you have chevrolet service repair manuals wiring diagrams workshop and repair manuals service owner s manual wiring diagrams spare parts catalogue fault codes free download amazon com blower motor resistor complete kit with buy blower motor resistor complete kit with harness replaces 15 81773 89018778 89019351 1581773 15 81773 fits chevy silverado tahoe suburban gmc sierra yukon xl ac heater control module blower motors amazon com free delivery possible on eligible purchases no pulse to injectors chevrolet k1500 getting spark to chevrolet k1500 getting spark to all plugs gas to tbi continuity from ecm to injectors but no pulse to injectors please help every possible part tow ready tail light isolating diode system with 4 pole tow ready tow bar wiring tr118821 this combined diode system features a y harness that allows your rv to power the lights on your towed vehicle without the vehicle sending electrical feedback to the rv

















