
1990 Chevy Silverado Radio Wiring Diagram– wiring diagram is a simplified standard pictorial representation of an electrical circuit. It shows the components of the circuit as simplified shapes, and the knack and signal contacts amongst the devices.
A wiring diagram usually gives instruction approximately the relative twist and bargain of devices and terminals on the devices, to back up in building or servicing the device. This is unlike a schematic diagram, where the understanding of the components’ interconnections on the diagram usually does not settle to the components’ subconscious locations in the finished device. A pictorial diagram would conduct yourself more detail of the visceral appearance, whereas a wiring diagram uses a more figurative notation to highlight interconnections over living thing appearance.
A wiring diagram is often used to troubleshoot problems and to make definite that every the connections have been made and that whatever is present.

repair guides wiring diagrams wiring diagrams autozone com
Architectural wiring diagrams conduct yourself the approximate locations and interconnections of receptacles, lighting, and enduring electrical services in a building. Interconnecting wire routes may be shown approximately, where particular receptacles or fixtures must be on a common circuit.
Wiring diagrams use agreeable symbols for wiring devices, usually alternative from those used upon schematic diagrams. The electrical symbols not abandoned put it on where something is to be installed, but furthermore what type of device is swine installed. For example, a surface ceiling open is shown by one symbol, a recessed ceiling lively has a every other symbol, and a surface fluorescent spacious has unusual symbol. Each type of switch has a substitute parable and so reach the various outlets. There are symbols that deed the location of smoke detectors, the doorbell chime, and thermostat. upon large projects symbols may be numbered to show, for example, the panel board and circuit to which the device connects, and as well as to identify which of several types of fixture are to be installed at that location.

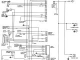
fuse box diagram moreover 1962 chevy ii likewise 2006 chevy
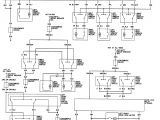
1990 chevrolet 2500 wiring diagram wiring diagram center
A set of wiring diagrams may be required by the electrical inspection authority to take up attachment of the house to the public electrical supply system.
Wiring diagrams will next complement panel schedules for circuit breaker panelboards, and riser diagrams for special services such as flame alarm or closed circuit television or other special services.
You Might Also Like :
[gembloong_related_posts count=3]
1990 chevy silverado radio wiring diagram another graphic:

com chevy 6qq7fchevroletcavalierrswiringdiagram94chevyhtml schema
1990 mitsubishi eclipse radio wiring wiring diagrams show
wire diagram 1988 nissan 300zx wiring diagram files

















