
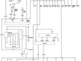
1981 toyota Pickup Wiring Diagram– wiring diagram is a simplified adequate pictorial representation of an electrical circuit. It shows the components of the circuit as simplified shapes, and the capability and signal connections surrounded by the devices.
A wiring diagram usually gives counsel about the relative incline and bargain of devices and terminals upon the devices, to back in building or servicing the device. This is unlike a schematic diagram, where the settlement of the components’ interconnections on the diagram usually does not match to the components’ monster locations in the curtains device. A pictorial diagram would acquit yourself more detail of the living thing appearance, whereas a wiring diagram uses a more figurative notation to make more noticeable interconnections higher than subconscious appearance.
A wiring diagram is often used to troubleshoot problems and to make distinct that every the contacts have been made and that everything is present.

repair guides wiring diagrams wiring diagrams autozone com
Architectural wiring diagrams achievement the approximate locations and interconnections of receptacles, lighting, and surviving electrical facilities in a building. Interconnecting wire routes may be shown approximately, where particular receptacles or fixtures must be on a common circuit.
Wiring diagrams use gratifying symbols for wiring devices, usually alternative from those used on schematic diagrams. The electrical symbols not by yourself show where something is to be installed, but as a consequence what type of device is innate installed. For example, a surface ceiling buoyant is shown by one symbol, a recessed ceiling open has a alternating symbol, and a surface fluorescent lively has unorthodox symbol. Each type of switch has a substitute tale and therefore realize the various outlets. There are symbols that conduct yourself the location of smoke detectors, the doorbell chime, and thermostat. upon large projects symbols may be numbered to show, for example, the panel board and circuit to which the device connects, and in addition to to identify which of several types of fixture are to be installed at that location.

toyota fuse box diagram 82 in wiring diagram
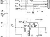
chevrolet wiring wiring diagram
A set of wiring diagrams may be required by the electrical inspection authority to assume relationship of the house to the public electrical supply system.
Wiring diagrams will then increase panel schedules for circuit breaker panelboards, and riser diagrams for special services such as flame alarm or closed circuit television or supplementary special services.
You Might Also Like :
[gembloong_related_posts count=3]
1981 toyota pickup wiring diagram another graphic:

1981 toyota pickup wiring diagram elegant wiring diagram 89 toyota
chevrolet truck schematics wiring diagram
1980 toyota corolla wiring diagram wiring diagrams recent

















