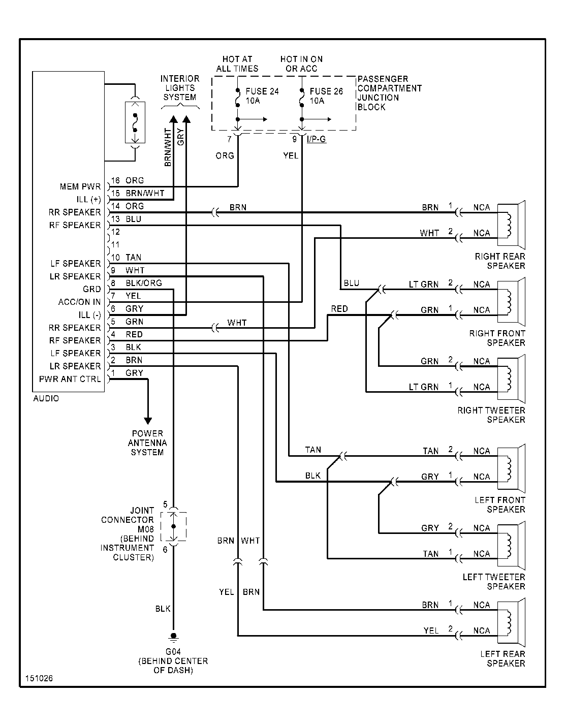
2007 Hyundai Tiburon Radio Wiring Diagram


Warning: count(): Parameter must be an array or an object that implements Countable in /var/www/html/autocardesign.org/wp-content/themes/silegan-wordpress-theme/inc/themeson.class.php on line 625
2007 Hyundai Tiburon Radio Wiring Diagram 2013 Hyundai sonata Radio Wire Diagrams Diagram Base Website
2007 Hyundai Tiburon Radio Wiring Diagram 2013 Hyundai sonata Radio Wire Diagrams Diagram Base Website
See also  Hyundai sonata Wiring Diagram