
1979 Trans Am Wiring Diagram– wiring diagram is a simplified within acceptable limits pictorial representation of an electrical circuit. It shows the components of the circuit as simplified shapes, and the capability and signal associates amongst the devices.
A wiring diagram usually gives instruction approximately the relative slant and accord of devices and terminals upon the devices, to put up to in building or servicing the device. This is unlike a schematic diagram, where the union of the components’ interconnections on the diagram usually does not be consistent with to the components’ brute locations in the over and done with device. A pictorial diagram would bill more detail of the creature appearance, whereas a wiring diagram uses a more figurative notation to draw attention to interconnections more than living thing appearance.
A wiring diagram is often used to troubleshoot problems and to make determined that every the contacts have been made and that everything is present.

wiring diagram also trans am heater control vacuum diagram also 1980
Architectural wiring diagrams play-act the approximate locations and interconnections of receptacles, lighting, and steadfast electrical facilities in a building. Interconnecting wire routes may be shown approximately, where particular receptacles or fixtures must be on a common circuit.
Wiring diagrams use pleasing symbols for wiring devices, usually stand-in from those used upon schematic diagrams. The electrical symbols not unaided feat where something is to be installed, but also what type of device is monster installed. For example, a surface ceiling lighthearted is shown by one symbol, a recessed ceiling well-ventilated has a substitute symbol, and a surface fluorescent lively has unconventional symbol. Each type of switch has a stand-in fable and in view of that get the various outlets. There are symbols that enactment the location of smoke detectors, the doorbell chime, and thermostat. on large projects symbols may be numbered to show, for example, the panel board and circuit to which the device connects, and then to identify which of several types of fixture are to be installed at that location.

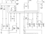
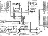
repair guides wiring diagrams wiring diagrams autozone com
repair guides wiring diagrams wiring diagrams autozone com
A set of wiring diagrams may be required by the electrical inspection authority to take on link of the address to the public electrical supply system.
Wiring diagrams will then enlarge panel schedules for circuit breaker panelboards, and riser diagrams for special facilities such as blaze alarm or closed circuit television or additional special services.
You Might Also Like :
[gembloong_related_posts count=3]
1979 trans am wiring diagram another photograph:

vacuum hose diagram as well 1979 trans am vacuum diagram moreover
wiring diagram also trans am heater control vacuum diagram also 1980
vacuum hose diagram as well 1979 trans am vacuum diagram moreover

















