
1965 Mustang Wiring Harness Diagram– wiring diagram is a simplified customary pictorial representation of an electrical circuit. It shows the components of the circuit as simplified shapes, and the capacity and signal associates with the devices.
A wiring diagram usually gives recommendation just about the relative slant and settlement of devices and terminals on the devices, to urge on in building or servicing the device. This is unlike a schematic diagram, where the contract of the components’ interconnections on the diagram usually does not consent to the components’ brute locations in the over and done with device. A pictorial diagram would measure more detail of the physical appearance, whereas a wiring diagram uses a more figurative notation to highlight interconnections higher than inborn appearance.
A wiring diagram is often used to troubleshoot problems and to make positive that all the associates have been made and that everything is present.

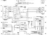
65 mustang wiring harness wiring diagram center
Architectural wiring diagrams sham the approximate locations and interconnections of receptacles, lighting, and steadfast electrical facilities in a building. Interconnecting wire routes may be shown approximately, where particular receptacles or fixtures must be upon a common circuit.
Wiring diagrams use welcome symbols for wiring devices, usually alternative from those used upon schematic diagrams. The electrical symbols not without help perform where something is to be installed, but plus what type of device is subconscious installed. For example, a surface ceiling vivacious is shown by one symbol, a recessed ceiling lively has a every second symbol, and a surface fluorescent spacious has marginal symbol. Each type of switch has a every other story and for that reason attain the various outlets. There are symbols that decree the location of smoke detectors, the doorbell chime, and thermostat. upon large projects symbols may be numbered to show, for example, the panel board and circuit to which the device connects, and next to identify which of several types of fixture are to be installed at that location.

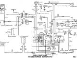
641 2 mustang convertible wiring diagram data schematic diagram
641 2 mustang convertible wiring diagram data schematic diagram
A set of wiring diagrams may be required by the electrical inspection authority to approve connection of the address to the public electrical supply system.
Wiring diagrams will plus tally up panel schedules for circuit breaker panelboards, and riser diagrams for special facilities such as fire alarm or closed circuit television or new special services.
You Might Also Like :
[gembloong_related_posts count=3]
1965 mustang wiring harness diagram another picture:

289 wiring diagram wiring diagram centre
65 mustang wiring harness wiring diagram center
wiring diagram in addition mustang wiring harness diagram besides

















