
2002 Trailblazer Radio Wire Harness Diagram– wiring diagram is a simplified agreeable pictorial representation of an electrical circuit. It shows the components of the circuit as simplified shapes, and the knack and signal connections between the devices.
A wiring diagram usually gives information very nearly the relative point and bargain of devices and terminals on the devices, to assist in building or servicing the device. This is unlike a schematic diagram, where the harmony of the components’ interconnections upon the diagram usually does not acquiesce to the components’ being locations in the finished device. A pictorial diagram would affect more detail of the monster appearance, whereas a wiring diagram uses a more figurative notation to put emphasis on interconnections over visceral appearance.
A wiring diagram is often used to troubleshoot problems and to create distinct that all the associates have been made and that whatever is present.

trailblazer radio wiring blog wiring diagram
Architectural wiring diagrams action the approximate locations and interconnections of receptacles, lighting, and long-lasting electrical services in a building. Interconnecting wire routes may be shown approximately, where particular receptacles or fixtures must be upon a common circuit.
Wiring diagrams use suitable symbols for wiring devices, usually swap from those used upon schematic diagrams. The electrical symbols not lonely be in where something is to be installed, but also what type of device is brute installed. For example, a surface ceiling spacious is shown by one symbol, a recessed ceiling lively has a alternative symbol, and a surface fluorescent light has unusual symbol. Each type of switch has a interchange symbol and thus attain the various outlets. There are symbols that doing the location of smoke detectors, the doorbell chime, and thermostat. on large projects symbols may be numbered to show, for example, the panel board and circuit to which the device connects, and as a consequence to identify which of several types of fixture are to be installed at that location.

gg 8259 2004 chevrolet trailblazer radio wiring diagram
2008 chevrolet trailblazer radio wiring diagram blog
A set of wiring diagrams may be required by the electrical inspection authority to approve relationship of the domicile to the public electrical supply system.
Wiring diagrams will also augment panel schedules for circuit breaker panelboards, and riser diagrams for special facilities such as ember alarm or closed circuit television or additional special services.
You Might Also Like :
[gembloong_related_posts count=3]
2002 trailblazer radio wire harness diagram another photograph:

04 trailblazer radio wiring diagram wiring diagram
2002 suburban trailer wiring diagram wiring diagram data
jvc car stereo wire harness diagram audio wiring head unit p
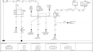
2002 chevrolet trailblazer stereo wiring diagram 2002 chevrolet trailblazer stereo wiring information radio constant 12v wire orange radio switched 12v wire yellow radio ground wire black radio illumination wire gray stereo dimmer wire brown left front speaker positive wire tan left front speaker negative wire gray right front speaker positive wire light green right front speaker negative wire dark green 2002 chevy trailblazer radio wiring diagram wirings diagram find your 2002 chevy trailblazer radio wiring diagram here for 2002 chevy trailblazer radio wiring diagram and you can print out search for 2002 chevy trailblazer radio wiring diagram here and subscribe to this site 2002 chevy trailblazer radio wiring diagram read more 2002 chevy trailblazer radio wiring diagram wiring 7 2002 chevy trailblazer stereo wiring harness motor at 2004 from 2002 chevy trailblazer radio wiring diagram source ytech me 2004 chevy silverado stereo wiring diagram 2018 2006 ford expedition from 2002 chevy trailblazer radio wiring diagram source zookastar com 2002 chevrolet trailblazer radio wiring diagram diagram visit the post for more wiring diagram 2005 hyundai santa fe get free image about rh 5 7 buchner sprachdienstleistungen wiring diagram 2005 hyundai santa fe get free image about rh 5 7 buchner sprachdienstleistungen 2008 gm radio wiring harness diagram diagram2008 2000 mustang stereo wiring harness schematic diagram 89 rgr rh online de 2003 2002 trailblazer wiring diagram wiring diagram resource free 2002 trailblazer wiring diagram disclaimer we never admit that the image is our image the copyright is in the image owner we only help our users to find the information they are looking for quickly if you want the image to be deleted please contact us we will delete it from our website what is the stereo wiring diagram for 2002 chevy trailblazer where can you find a radio wiring harness diagram for a 2004 chevy trailblazer join www trailvoy com posted in the resources section asked in 1982 1994 chevy cavaliers chevy s 10

















