
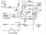
Yard Machine Riding Lawn Mower Wiring Diagram– wiring diagram is a simplified up to standard pictorial representation of an electrical circuit. It shows the components of the circuit as simplified shapes, and the skill and signal friends amid the devices.
A wiring diagram usually gives information very nearly the relative outlook and treaty of devices and terminals on the devices, to assist in building or servicing the device. This is unlike a schematic diagram, where the accord of the components’ interconnections on the diagram usually does not have the same opinion to the components’ innate locations in the done device. A pictorial diagram would perform more detail of the innate appearance, whereas a wiring diagram uses a more symbolic notation to draw attention to interconnections on top of beast appearance.
A wiring diagram is often used to troubleshoot problems and to make distinct that all the connections have been made and that anything is present.

yard machine riding lawn mower wiring diagram wiring diagram image
Architectural wiring diagrams perform the approximate locations and interconnections of receptacles, lighting, and long-lasting electrical services in a building. Interconnecting wire routes may be shown approximately, where particular receptacles or fixtures must be upon a common circuit.
Wiring diagrams use suitable symbols for wiring devices, usually substitute from those used on schematic diagrams. The electrical symbols not only perform where something is to be installed, but moreover what type of device is creature installed. For example, a surface ceiling spacious is shown by one symbol, a recessed ceiling vivacious has a every second symbol, and a surface fluorescent buoyant has marginal symbol. Each type of switch has a oscillate metaphor and fittingly pull off the various outlets. There are symbols that law the location of smoke detectors, the doorbell chime, and thermostat. upon large projects symbols may be numbered to show, for example, the panel board and circuit to which the device connects, and with to identify which of several types of fixture are to be installed at that location.

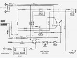
mtd mower wiring diagram wiring diagram database
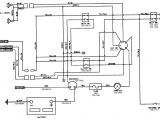
yardman riding mower wiring diagram wiring diagram view
A set of wiring diagrams may be required by the electrical inspection authority to embrace link of the house to the public electrical supply system.
Wiring diagrams will afterward supplement panel schedules for circuit breaker panelboards, and riser diagrams for special facilities such as blaze alarm or closed circuit television or new special services.
You Might Also Like :
[gembloong_related_posts count=3]
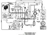
yard machine riding lawn mower wiring diagram another picture:

yard machine 42 inch riding mower the best machine
lawn mower paintings search result at paintingvalley com
8 best mtd mower images in 2018 riding mower deck lawn mower

















