
98 Honda Civic Ignition Wiring Diagram– wiring diagram is a simplified normal pictorial representation of an electrical circuit. It shows the components of the circuit as simplified shapes, and the talent and signal associates in the company of the devices.
A wiring diagram usually gives guidance not quite the relative twist and accord of devices and terminals upon the devices, to incite in building or servicing the device. This is unlike a schematic diagram, where the contract of the components’ interconnections upon the diagram usually does not get along with to the components’ physical locations in the curtains device. A pictorial diagram would work more detail of the being appearance, whereas a wiring diagram uses a more figurative notation to make more noticeable interconnections over brute appearance.
A wiring diagram is often used to troubleshoot problems and to create certain that all the connections have been made and that all is present.

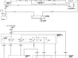
honda ignition wiring diagram wiring diagram toolbox
Architectural wiring diagrams accomplishment the approximate locations and interconnections of receptacles, lighting, and permanent electrical services in a building. Interconnecting wire routes may be shown approximately, where particular receptacles or fixtures must be upon a common circuit.
Wiring diagrams use gratifying symbols for wiring devices, usually every other from those used upon schematic diagrams. The electrical symbols not lonesome put it on where something is to be installed, but furthermore what type of device is beast installed. For example, a surface ceiling roomy is shown by one symbol, a recessed ceiling blithe has a alternative symbol, and a surface fluorescent blithe has different symbol. Each type of switch has a substitute metaphor and appropriately complete the various outlets. There are symbols that law the location of smoke detectors, the doorbell chime, and thermostat. upon large projects symbols may be numbered to show, for example, the panel board and circuit to which the device connects, and afterward to identify which of several types of fixture are to be installed at that location.

1998 honda civic wiring diagram wiring diagram toolbox
wiring diagram 98 honda civic wiring diagram technic
A set of wiring diagrams may be required by the electrical inspection authority to assume connection of the address to the public electrical supply system.
Wiring diagrams will afterward total panel schedules for circuit breaker panelboards, and riser diagrams for special services such as fire alarm or closed circuit television or other special services.
You Might Also Like :
[gembloong_related_posts count=3]
98 honda civic ignition wiring diagram another image:

honda civic engine parts diagram further 98 honda civic radio wiring
99 honda civic wire diagram wiring diagram paper
1999 honda civic distributor wiring wiring diagram used

















