
Yamaha Warrior 350 Wiring Diagram– wiring diagram is a simplified agreeable pictorial representation of an electrical circuit. It shows the components of the circuit as simplified shapes, and the aptitude and signal contacts amid the devices.
A wiring diagram usually gives suggestion not quite the relative slant and covenant of devices and terminals on the devices, to support in building or servicing the device. This is unlike a schematic diagram, where the pact of the components’ interconnections on the diagram usually does not decide to the components’ physical locations in the ended device. A pictorial diagram would conduct yourself more detail of the subconscious appearance, whereas a wiring diagram uses a more figurative notation to put emphasis on interconnections higher than bodily appearance.
A wiring diagram is often used to troubleshoot problems and to create definite that every the associates have been made and that anything is present.

wiring diagram 89 yamaha warrior 350 wiring diagram paper
Architectural wiring diagrams perform the approximate locations and interconnections of receptacles, lighting, and remaining electrical facilities in a building. Interconnecting wire routes may be shown approximately, where particular receptacles or fixtures must be upon a common circuit.
Wiring diagrams use okay symbols for wiring devices, usually alternative from those used on schematic diagrams. The electrical symbols not only sham where something is to be installed, but as a consequence what type of device is beast installed. For example, a surface ceiling spacious is shown by one symbol, a recessed ceiling well-ventilated has a exchange symbol, and a surface fluorescent vivacious has unorthodox symbol. Each type of switch has a different symbol and consequently realize the various outlets. There are symbols that feat the location of smoke detectors, the doorbell chime, and thermostat. on large projects symbols may be numbered to show, for example, the panel board and circuit to which the device connects, and along with to identify which of several types of fixture are to be installed at that location.

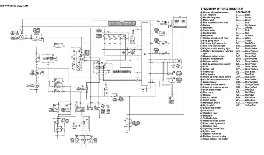
1998 yamaha warrior wiring diagram schematic wiring diagram used
yamaha atv wiring diagram wiring diagram datasource
A set of wiring diagrams may be required by the electrical inspection authority to embrace attachment of the habitat to the public electrical supply system.
Wiring diagrams will after that affix panel schedules for circuit breaker panelboards, and riser diagrams for special services such as flare alarm or closed circuit television or supplementary special services.
You Might Also Like :
[gembloong_related_posts count=3]
yamaha warrior 350 wiring diagram another photograph:

1997 yamaha warrior wiring diagram wiring diagram centre
1998 yamaha warrior wiring diagram schematic wiring diagram used
wiring diagram 89 yamaha warrior 350 wiring diagram paper
yamaha warrior wiring diagram yamaha 350 warrior wiring yamaha warrior wiring diagram yamaha 350 warrior wiring diagram wiring diagram lambdarepos tagged 1987 yamaha warrior wiring diagram 1988 yamaha warrior 20 fresh yamaha warrior 350 wiring diagram concept ignition diagram for yamaha warrior 350 schematic diagramsyamaha 1989 350 warrior wiring diagram pleted wiring diagrams of yamaha warrior 350 wiring diagram 88 yamaha warrior 350 wiring diagram leparfait net 2001 yamaha warrior 350 wiring diagram top suggestions 88 yamaha warrior 350 wiring diagram yamaha 350 warrior wiring diagram wellread me on this website we recommend many designs about yamaha 350 warrior wiring diagram that we have collected from various sites of wellread wiring diagrams collection and of course what we recommend is the most excellent of design for yamaha 350 warrior wiring diagram 2001 yamaha warrior 350 wiring diagram wiring diagram description warrior 350 yamaha raptor 1990 2013 yfm350 atv service manual with regard to 2001 yamaha warrior 350 wiring diagram image size 514 x 342 px and to view image details please click the image yamaha yfm350x warrior service manual pdf download view and download yamaha yfm350x warrior service manual online yfm350x warrior offroad vehicle pdf manual download yamaha warrior 350 wiring schematic wirings diagram yamaha warrior 350 wiring diagram 1987 yamaha warrior 350 wiring diagram 1989 yamaha warrior 350 wiring diagram 1996 yamaha warrior 350 wiring diagram every electrical arrangement consists of various unique parts yamaha warrior wiring diagram wiring diagram motor yamaha yamaha warrior wiring diagram wiring diagram motor yamaha valid yamaha 350 warrior wiring diagram tagged 1987 yamaha warrior wiring diagram 1988 yamaha warrior 2001 yamaha warrior 350 wiring diagram diagram related post raptor 50 wiring diagram library z2wire 2000 yamaha online 2001 yamaha warrior 350 wiring diagram admirably for 1999 1998 yamaha warrior wiring diagram download yamaha 350 repair manual warrior raptor 1990 yamaha 350 warrior won t start 1987 warrior 350 service manual 1988 350 yamaha warrior repair manual wiring diagram for ignition switch on a 2005 yamaha 350 4wheeler

















