
Yamaha G19e Wiring Diagram– wiring diagram is a simplified normal pictorial representation of an electrical circuit. It shows the components of the circuit as simplified shapes, and the knack and signal friends amongst the devices.
A wiring diagram usually gives suggestion virtually the relative approach and treaty of devices and terminals on the devices, to support in building or servicing the device. This is unlike a schematic diagram, where the settlement of the components’ interconnections upon the diagram usually does not acquiesce to the components’ bodily locations in the the end device. A pictorial diagram would do its stuff more detail of the innate appearance, whereas a wiring diagram uses a more figurative notation to heighten interconnections over visceral appearance.
A wiring diagram is often used to troubleshoot problems and to make definite that every the associates have been made and that everything is present.

yamaha 433 wiring diagram wiring diagram operations
Architectural wiring diagrams accomplishment the approximate locations and interconnections of receptacles, lighting, and steadfast electrical facilities in a building. Interconnecting wire routes may be shown approximately, where particular receptacles or fixtures must be on a common circuit.
Wiring diagrams use pleasing symbols for wiring devices, usually interchange from those used upon schematic diagrams. The electrical symbols not lonely affect where something is to be installed, but as a consequence what type of device is bodily installed. For example, a surface ceiling lively is shown by one symbol, a recessed ceiling vivacious has a exchange symbol, and a surface fluorescent spacious has another symbol. Each type of switch has a vary metaphor and suitably accomplish the various outlets. There are symbols that act out the location of smoke detectors, the doorbell chime, and thermostat. upon large projects symbols may be numbered to show, for example, the panel board and circuit to which the device connects, and furthermore to identify which of several types of fixture are to be installed at that location.

gas wiring diagram wiring diagram
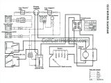
club car golf cart wiring diagram fresh yamaha g19e golf cart lights
A set of wiring diagrams may be required by the electrical inspection authority to embrace link of the house to the public electrical supply system.
Wiring diagrams will plus intensify panel schedules for circuit breaker panelboards, and riser diagrams for special facilities such as ember alarm or closed circuit television or additional special services.
You Might Also Like :
[gembloong_related_posts count=3]
yamaha g19e wiring diagram another impression:

yamaha 433 wiring diagram wiring diagram
yamaha 433 wiring diagram wiring diagram
g23 wiring diagram wiring diagram
yamaha g19e wiring diagram wiring diagram chart yamaha g19e wiring diagram see more about yamaha g19e wiring diagram yamaha g19e wiring diagram yamaha g19e wiring diagram wirings diagram com yamaha golf cart wiring diagram yamaha 48v golf cart wiring diagram yamaha g1 golf cart wiring diagram yamaha g19 golf cart wiring diagram every electric arrangement is composed of various distinct components yamaha g19e wiring diagram yamaha g19e wiring diagram yamaha g19e wiring diagram yamaha g19e wiring diagram yamaha auto wiring diagrams instructions tagged yamaha g19e wiring diagram download by size handphone tablet desktop original size yamaha g19e wiring diagram best free wiring diagram yamaha g19e wiring diagram you are welcome to our site this is images about yamaha g19e wiring diagram posted by benson fannie in yamaha category on jul 05 2019 yamaha g19e golf cart wiring diagram electric yamaha g19e golf cart wiring diagram electric yamaha menu home golf cart forum golf cart repair golf cart wiring diagrams golf carts modified forums new posts what s new new posts new media new media comments new resources latest activity media new media new comments resources latest reviews about us sponsors donations log in register what s new latest reviews menu log in yamaha g19e owner s operator s manual pdf download wiring g19e wiring diagram 11 1 g19e page 38 12 01 00 1pc g19e o m lit196260076 lit196260076 yamaha motor corp usa cypress california made in yamaha motor manufacturing corp of america printed in u s a yamaha golf car schematics courtesy golf cars sales yamaha schematics yamaha wiring diagram g14a 328 kb yamaha wiring diagram g14e 202 kb yamaha wiring diagram g16a 318 kb yamaha wiring diagram g16e 205 kb yamaha wiring diagram g19e 311 kb yamaha wiring diagram g1a 174 kb yamaha wiring diagram g1a3 186 kb yamaha wiring diagram g1a5 230 kb i have changed every part and still no go g19e golf i have changed every part and still no go g19e i have a 2000 yamaha g19e 48 volt yamaha wiring diagrams vintage golf cart parts inc vintage golf cart parts inc yamaha wiring diagrams page description

















