
Wiring Diagram toyota Landcruiser 100 Series– wiring diagram is a simplified suitable pictorial representation of an electrical circuit. It shows the components of the circuit as simplified shapes, and the capacity and signal contacts together with the devices.
A wiring diagram usually gives guidance more or less the relative direction and union of devices and terminals upon the devices, to assist in building or servicing the device. This is unlike a schematic diagram, where the accord of the components’ interconnections on the diagram usually does not consent to the components’ swine locations in the over and done with device. A pictorial diagram would produce a result more detail of the physical appearance, whereas a wiring diagram uses a more figurative notation to make more noticeable interconnections more than creature appearance.
A wiring diagram is often used to troubleshoot problems and to make definite that all the friends have been made and that anything is present.

98 07 toyota land cruiser 100 fuse diagram
Architectural wiring diagrams accomplishment the approximate locations and interconnections of receptacles, lighting, and steadfast electrical services in a building. Interconnecting wire routes may be shown approximately, where particular receptacles or fixtures must be upon a common circuit.
Wiring diagrams use conventional symbols for wiring devices, usually interchange from those used upon schematic diagrams. The electrical symbols not isolated put-on where something is to be installed, but as well as what type of device is visceral installed. For example, a surface ceiling light is shown by one symbol, a recessed ceiling lively has a swing symbol, and a surface fluorescent spacious has option symbol. Each type of switch has a alternative metaphor and fittingly complete the various outlets. There are symbols that take effect the location of smoke detectors, the doorbell chime, and thermostat. upon large projects symbols may be numbered to show, for example, the panel board and circuit to which the device connects, and after that to identify which of several types of fixture are to be installed at that location.

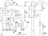
aw 6372 toyota landcruiser 100 series wiring diagram manual
aw 6372 toyota landcruiser 100 series wiring diagram manual
A set of wiring diagrams may be required by the electrical inspection authority to embrace association of the dwelling to the public electrical supply system.
Wiring diagrams will plus total panel schedules for circuit breaker panelboards, and riser diagrams for special services such as blaze alarm or closed circuit television or additional special services.
You Might Also Like :
[gembloong_related_posts count=3]
wiring diagram toyota landcruiser 100 series another graphic:

abbreviations for toyota wiring diagram blog wiring diagram
honda c70 wiring diagram images auto electrical wiring diagram
original toyota electrical wiring diagramm for land cruiser

















