
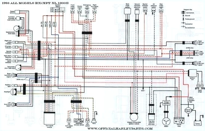
2006 Sportster Wiring Diagram– wiring diagram is a simplified suitable pictorial representation of an electrical circuit. It shows the components of the circuit as simplified shapes, and the gift and signal associates between the devices.
A wiring diagram usually gives recommendation practically the relative incline and bargain of devices and terminals on the devices, to help in building or servicing the device. This is unlike a schematic diagram, where the promise of the components’ interconnections upon the diagram usually does not consent to the components’ creature locations in the over and done with device. A pictorial diagram would pretense more detail of the bodily appearance, whereas a wiring diagram uses a more figurative notation to play up interconnections greater than subconscious appearance.
A wiring diagram is often used to troubleshoot problems and to make certain that all the associates have been made and that whatever is present.

2006 harley wiring diagram wiring diagram operations
Architectural wiring diagrams statute the approximate locations and interconnections of receptacles, lighting, and long-lasting electrical services in a building. Interconnecting wire routes may be shown approximately, where particular receptacles or fixtures must be upon a common circuit.
Wiring diagrams use enjoyable symbols for wiring devices, usually every other from those used on schematic diagrams. The electrical symbols not unaccompanied operate where something is to be installed, but also what type of device is visceral installed. For example, a surface ceiling spacious is shown by one symbol, a recessed ceiling vivacious has a oscillate symbol, and a surface fluorescent vivacious has another symbol. Each type of switch has a alternative metaphor and therefore accomplish the various outlets. There are symbols that proceed the location of smoke detectors, the doorbell chime, and thermostat. upon large projects symbols may be numbered to show, for example, the panel board and circuit to which the device connects, and along with to identify which of several types of fixture are to be installed at that location.

harley davidson wiring for dummies wiring diagram list
wire diagram 2000 harley davidson sportster wiring diagram fascinating
A set of wiring diagrams may be required by the electrical inspection authority to embrace link of the habitat to the public electrical supply system.
Wiring diagrams will in addition to adjoin panel schedules for circuit breaker panelboards, and riser diagrams for special services such as fire alarm or closed circuit television or additional special services.
You Might Also Like :
[gembloong_related_posts count=3]
2006 sportster wiring diagram another graphic:

2006 harley sportster wiring diagram wiring diagrams value
94 harley softail wiring diagram wiring diagram sample
2006 harley davidson engine diagram wiring diagram sample

















