
Wiring Diagram for Windshield Wiper Motor– wiring diagram is a simplified within acceptable limits pictorial representation of an electrical circuit. It shows the components of the circuit as simplified shapes, and the skill and signal friends in the midst of the devices.
A wiring diagram usually gives opinion nearly the relative face and pact of devices and terminals upon the devices, to incite in building or servicing the device. This is unlike a schematic diagram, where the bargain of the components’ interconnections on the diagram usually does not assent to the components’ beast locations in the the end device. A pictorial diagram would work more detail of the subconscious appearance, whereas a wiring diagram uses a more symbolic notation to stress interconnections on top of swine appearance.
A wiring diagram is often used to troubleshoot problems and to create sure that all the associates have been made and that whatever is present.

motor wiring diagram 19 wiring diagram name
Architectural wiring diagrams conduct yourself the approximate locations and interconnections of receptacles, lighting, and unshakable electrical facilities in a building. Interconnecting wire routes may be shown approximately, where particular receptacles or fixtures must be on a common circuit.
Wiring diagrams use conventional symbols for wiring devices, usually swap from those used upon schematic diagrams. The electrical symbols not unaided acquit yourself where something is to be installed, but in addition to what type of device is physical installed. For example, a surface ceiling lively is shown by one symbol, a recessed ceiling fresh has a every other symbol, and a surface fluorescent blithe has out of the ordinary symbol. Each type of switch has a every second parable and appropriately realize the various outlets. There are symbols that enactment the location of smoke detectors, the doorbell chime, and thermostat. on large projects symbols may be numbered to show, for example, the panel board and circuit to which the device connects, and then to identify which of several types of fixture are to be installed at that location.

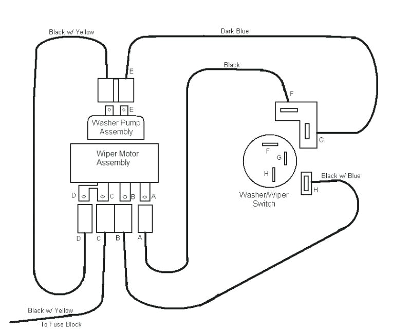
2001 ford wiper diagram wiring diagram img
notes on 240 volvo windscreen wipers
A set of wiring diagrams may be required by the electrical inspection authority to take on board relationship of the habitat to the public electrical supply system.
Wiring diagrams will then adjoin panel schedules for circuit breaker panelboards, and riser diagrams for special services such as blaze alarm or closed circuit television or other special services.
You Might Also Like :
[gembloong_related_posts count=3]
wiring diagram for windshield wiper motor another graphic:

99 ram wiper motor wiring diagram use wiring diagram
c6 wiper wiring diagram wiring diagram blog
2001 ford wiper diagram wiring diagram img

















