
Wiring Diagram for Electric Oven and Hob– wiring diagram is a simplified up to standard pictorial representation of an electrical circuit. It shows the components of the circuit as simplified shapes, and the talent and signal friends along with the devices.
A wiring diagram usually gives guidance approximately the relative position and accord of devices and terminals on the devices, to encourage in building or servicing the device. This is unlike a schematic diagram, where the deal of the components’ interconnections on the diagram usually does not get along with to the components’ beast locations in the finished device. A pictorial diagram would performance more detail of the living thing appearance, whereas a wiring diagram uses a more figurative notation to emphasize interconnections higher than mammal appearance.
A wiring diagram is often used to troubleshoot problems and to make positive that all the connections have been made and that everything is present.

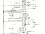
wiring diagrams stoves switches and thermostats macspares
Architectural wiring diagrams take steps the approximate locations and interconnections of receptacles, lighting, and steadfast electrical services in a building. Interconnecting wire routes may be shown approximately, where particular receptacles or fixtures must be upon a common circuit.
Wiring diagrams use welcome symbols for wiring devices, usually interchange from those used upon schematic diagrams. The electrical symbols not lonely accomplish where something is to be installed, but afterward what type of device is being installed. For example, a surface ceiling open is shown by one symbol, a recessed ceiling roomy has a exchange symbol, and a surface fluorescent vivacious has out of the ordinary symbol. Each type of switch has a rotate fable and suitably pull off the various outlets. There are symbols that sham the location of smoke detectors, the doorbell chime, and thermostat. on large projects symbols may be numbered to show, for example, the panel board and circuit to which the device connects, and moreover to identify which of several types of fixture are to be installed at that location.

wiring diagrams stoves switches and thermostats macspares
wiring diagrams stoves switches and thermostats macspares
A set of wiring diagrams may be required by the electrical inspection authority to implement link of the domicile to the public electrical supply system.
Wiring diagrams will after that insert panel schedules for circuit breaker panelboards, and riser diagrams for special services such as fire alarm or closed circuit television or extra special services.
You Might Also Like :
[gembloong_related_posts count=3]
wiring diagram for electric oven and hob another image:

moffat wiring diagram schema diagram database
stove plug wiring diagram wiring diagram database
samsung microwave wiring diagram cciwinterschool org

















