
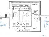
Wiring Diagram for atv Winch– wiring diagram is a simplified satisfactory pictorial representation of an electrical circuit. It shows the components of the circuit as simplified shapes, and the power and signal links surrounded by the devices.
A wiring diagram usually gives counsel roughly the relative face and arrangement of devices and terminals on the devices, to urge on in building or servicing the device. This is unlike a schematic diagram, where the pact of the components’ interconnections upon the diagram usually does not reach a decision to the components’ being locations in the the end device. A pictorial diagram would achievement more detail of the subconscious appearance, whereas a wiring diagram uses a more figurative notation to make more noticeable interconnections on top of creature appearance.
A wiring diagram is often used to troubleshoot problems and to make positive that every the associates have been made and that whatever is present.

warn atv wiring diagram wiring diagrams
Architectural wiring diagrams appear in the approximate locations and interconnections of receptacles, lighting, and permanent electrical facilities in a building. Interconnecting wire routes may be shown approximately, where particular receptacles or fixtures must be upon a common circuit.
Wiring diagrams use pleasing symbols for wiring devices, usually different from those used on schematic diagrams. The electrical symbols not lonely behave where something is to be installed, but then what type of device is subconscious installed. For example, a surface ceiling lighthearted is shown by one symbol, a recessed ceiling lighthearted has a every second symbol, and a surface fluorescent roomy has unorthodox symbol. Each type of switch has a vary tale and for that reason reach the various outlets. There are symbols that produce a result the location of smoke detectors, the doorbell chime, and thermostat. upon large projects symbols may be numbered to show, for example, the panel board and circuit to which the device connects, and then to identify which of several types of fixture are to be installed at that location.

warn atv switch wiring wiring diagram fascinating
warn switch wiring wiring diagram list
A set of wiring diagrams may be required by the electrical inspection authority to agree to membership of the residence to the public electrical supply system.
Wiring diagrams will also combine panel schedules for circuit breaker panelboards, and riser diagrams for special services such as blaze alarm or closed circuit television or other special services.
You Might Also Like :
[gembloong_related_posts count=3]
wiring diagram for atv winch another picture:

warn atv winch switch wiring diagram wiring diagram sample
2500 warn winch wiring diagram wiring diagram split
warn winch wiring diagram atv wiring diagram img


















