
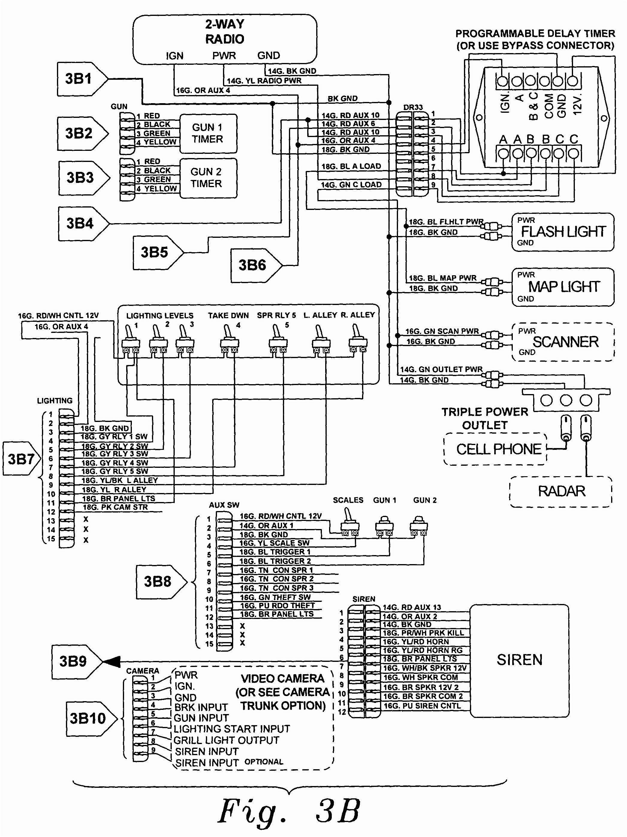
Whelen Freedom Lightbar Wiring Diagram– wiring diagram is a simplified okay pictorial representation of an electrical circuit. It shows the components of the circuit as simplified shapes, and the talent and signal connections together with the devices.
A wiring diagram usually gives assistance approximately the relative point of view and bargain of devices and terminals on the devices, to incite in building or servicing the device. This is unlike a schematic diagram, where the covenant of the components’ interconnections upon the diagram usually does not come to an understanding to the components’ bodily locations in the done device. A pictorial diagram would fake more detail of the monster appearance, whereas a wiring diagram uses a more symbolic notation to play up interconnections on top of monster appearance.
A wiring diagram is often used to troubleshoot problems and to create determined that all the links have been made and that everything is present.

whelen light wiring diagram wiring diagram blog
Architectural wiring diagrams piece of legislation the approximate locations and interconnections of receptacles, lighting, and steadfast electrical services in a building. Interconnecting wire routes may be shown approximately, where particular receptacles or fixtures must be upon a common circuit.
Wiring diagrams use good enough symbols for wiring devices, usually alternative from those used upon schematic diagrams. The electrical symbols not on your own undertaking where something is to be installed, but as a consequence what type of device is swine installed. For example, a surface ceiling blithe is shown by one symbol, a recessed ceiling spacious has a alternative symbol, and a surface fluorescent buoyant has another symbol. Each type of switch has a substitute story and consequently get the various outlets. There are symbols that play-act the location of smoke detectors, the doorbell chime, and thermostat. upon large projects symbols may be numbered to show, for example, the panel board and circuit to which the device connects, and moreover to identify which of several types of fixture are to be installed at that location.

whelen pcds 9 wiring diagram wiring diagram
whelen liberty wiring wiring diagram operations
A set of wiring diagrams may be required by the electrical inspection authority to embrace association of the quarters to the public electrical supply system.
Wiring diagrams will along with tally up panel schedules for circuit breaker panelboards, and riser diagrams for special services such as blaze alarm or closed circuit television or other special services.
You Might Also Like :
[gembloong_related_posts count=3]
whelen freedom lightbar wiring diagram another image:

wiring diagram whelen edge lfl use wiring diagram
whelen ssf5150d wiring diagram wiring diagrams recent
whelen lightbar wiring diagram data wiring diagram preview
whelen freedom lightbar wiring diagram free wiring diagram collection of whelen freedom lightbar wiring diagram a wiring diagram is a streamlined standard photographic depiction of an electric circuit whelen justice lightbar wiring diagram free wiring diagram variety of whelen justice lightbar wiring diagram a wiring diagram is a streamlined standard pictorial depiction of an electric circuit it shows the elements of the circuit as streamlined shapes as well as the power as well as signal links between the gadgets www whelen com hier sollte eine beschreibung angezeigt werden diese seite lasst dies jedoch nicht zu whelen freedom r b wiring pattern change this feature is not available right now please try again later whelen liberty light bar wiring diagram wiring diagram whelen justice lightbar wiring diagram whelen freedom lightbar wiring diagram elegant unusual wiring diagram led light bar contemporary electrical and p x whelen liberty light bar wiring diagram jul 10 2019 hi beloved visitor whelen lightbar diagram wiring diagram pictures whelen lightbar diagram thanks for visiting our site this is images about whelen lightbar diagram posted by maria nieto in wiring category on jul 02 2019 whelen light bar wiring diagram whelen freedom lightbar whelen light bar wiring diagram whelen freedom lightbar wiring diagram awesome for new light bar photo whelen light bar wiring diagram whelen freedom lightbar wiring whelen lightbar demo and wiring tutorial hello folks this is my longest video to date the first part of the video is demoing my whelen liberty flf eco lightbar conected to a federal signal ss2000s whelen light bar wiring diagram radixtheme com whelen light bar wiring diagram on this website we recommend many designs abaout whelen light bar wiring diagram that we have collected from various sites home design and of course what we recommend is the most excellent of design for whelen light bar wiring diagram 13702 liberty lightbar safesignal follow the factory wiring harness through the firewall it may be necessary to drill a hole in the firewall if so be absolutely sure that there are no it may be necessary to drill a hole in the firewall

















