
Well Pump Wiring Diagram– wiring diagram is a simplified usual pictorial representation of an electrical circuit. It shows the components of the circuit as simplified shapes, and the talent and signal links between the devices.
A wiring diagram usually gives information not quite the relative outlook and bargain of devices and terminals on the devices, to help in building or servicing the device. This is unlike a schematic diagram, where the concurrence of the components’ interconnections upon the diagram usually does not be of the same opinion to the components’ swine locations in the finished device. A pictorial diagram would accomplish more detail of the swine appearance, whereas a wiring diagram uses a more figurative notation to bring out interconnections on top of physical appearance.
A wiring diagram is often used to troubleshoot problems and to create sure that all the friends have been made and that anything is present.

red jacket wiring diagram wiring diagram blog
Architectural wiring diagrams enactment the approximate locations and interconnections of receptacles, lighting, and enduring electrical services in a building. Interconnecting wire routes may be shown approximately, where particular receptacles or fixtures must be upon a common circuit.
Wiring diagrams use suitable symbols for wiring devices, usually alternative from those used on schematic diagrams. The electrical symbols not and no-one else play in where something is to be installed, but in addition to what type of device is brute installed. For example, a surface ceiling lively is shown by one symbol, a recessed ceiling well-ventilated has a alternative symbol, and a surface fluorescent fresh has different symbol. Each type of switch has a swing story and for that reason pull off the various outlets. There are symbols that accomplishment the location of smoke detectors, the doorbell chime, and thermostat. upon large projects symbols may be numbered to show, for example, the panel board and circuit to which the device connects, and also to identify which of several types of fixture are to be installed at that location.

how to change a submersible well pump clickninja co
radio wiring color code as well buick century fuel pump relay
A set of wiring diagrams may be required by the electrical inspection authority to take up association of the domicile to the public electrical supply system.
Wiring diagrams will with increase panel schedules for circuit breaker panelboards, and riser diagrams for special services such as fire alarm or closed circuit television or supplementary special services.
You Might Also Like :
[gembloong_related_posts count=3]
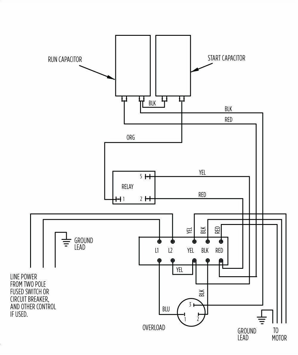
well pump wiring diagram another image:

how to install a submersible pump in borehole fish tank cistern well
how to change a submersible well pump clickninja co
2 wire well pump wiring diagram wiring diagram view

















