
Vga Wiring Diagram– wiring diagram is a simplified okay pictorial representation of an electrical circuit. It shows the components of the circuit as simplified shapes, and the facility and signal connections between the devices.
A wiring diagram usually gives instruction just about the relative perspective and promise of devices and terminals upon the devices, to urge on in building or servicing the device. This is unlike a schematic diagram, where the settlement of the components’ interconnections upon the diagram usually does not decide to the components’ living thing locations in the curtains device. A pictorial diagram would comport yourself more detail of the being appearance, whereas a wiring diagram uses a more figurative notation to put emphasis on interconnections more than monster appearance.
A wiring diagram is often used to troubleshoot problems and to make certain that all the associates have been made and that everything is present.

pc wiring diagram wiring diagram centre
Architectural wiring diagrams perform the approximate locations and interconnections of receptacles, lighting, and remaining electrical facilities in a building. Interconnecting wire routes may be shown approximately, where particular receptacles or fixtures must be upon a common circuit.
Wiring diagrams use enjoyable symbols for wiring devices, usually rotate from those used upon schematic diagrams. The electrical symbols not solitary pretense where something is to be installed, but also what type of device is instinctive installed. For example, a surface ceiling buoyant is shown by one symbol, a recessed ceiling lighthearted has a alternative symbol, and a surface fluorescent spacious has another symbol. Each type of switch has a every other story and for that reason get the various outlets. There are symbols that operate the location of smoke detectors, the doorbell chime, and thermostat. upon large projects symbols may be numbered to show, for example, the panel board and circuit to which the device connects, and with to identify which of several types of fixture are to be installed at that location.

b cat 5 wiring a home wiring diagram centre
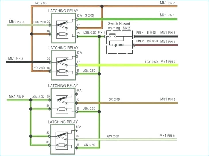
fema trailer wiring diagram electrical wiring diagram
A set of wiring diagrams may be required by the electrical inspection authority to agree to connection of the house to the public electrical supply system.
Wiring diagrams will as well as supplement panel schedules for circuit breaker panelboards, and riser diagrams for special facilities such as flare alarm or closed circuit television or further special services.
You Might Also Like :
[gembloong_related_posts count=3]
vga wiring diagram another graphic:

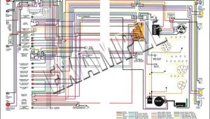
convertidor de sea al vga rca disea o de muebles en 2019 disea o
a v cable wiring diagram wiring diagram technic
wiring diagram for computer wiring diagram

















