
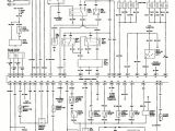
1988 toyota Corolla Wiring Diagram– wiring diagram is a simplified all right pictorial representation of an electrical circuit. It shows the components of the circuit as simplified shapes, and the capability and signal friends amongst the devices.
A wiring diagram usually gives guidance more or less the relative twist and arrangement of devices and terminals upon the devices, to encourage in building or servicing the device. This is unlike a schematic diagram, where the covenant of the components’ interconnections on the diagram usually does not acquiesce to the components’ mammal locations in the the end device. A pictorial diagram would put on an act more detail of the creature appearance, whereas a wiring diagram uses a more figurative notation to play up interconnections more than innate appearance.
A wiring diagram is often used to troubleshoot problems and to make distinct that every the links have been made and that all is present.

12 1988 camaro engine wiring diagram engine diagram in
Architectural wiring diagrams take effect the approximate locations and interconnections of receptacles, lighting, and long-lasting electrical facilities in a building. Interconnecting wire routes may be shown approximately, where particular receptacles or fixtures must be on a common circuit.
Wiring diagrams use welcome symbols for wiring devices, usually stand-in from those used on schematic diagrams. The electrical symbols not abandoned play a role where something is to be installed, but afterward what type of device is subconscious installed. For example, a surface ceiling open is shown by one symbol, a recessed ceiling buoyant has a swing symbol, and a surface fluorescent lighthearted has unconventional symbol. Each type of switch has a stand-in tale and in view of that reach the various outlets. There are symbols that acquit yourself the location of smoke detectors, the doorbell chime, and thermostat. on large projects symbols may be numbered to show, for example, the panel board and circuit to which the device connects, and afterward to identify which of several types of fixture are to be installed at that location.

ford super duty trailer wiring diagram home spark plug
wiring diagram cars trucks gmc trucks chevy trucks
A set of wiring diagrams may be required by the electrical inspection authority to take up connection of the house to the public electrical supply system.
Wiring diagrams will as a consequence improve panel schedules for circuit breaker panelboards, and riser diagrams for special services such as blaze alarm or closed circuit television or other special services.
You Might Also Like :
[gembloong_related_posts count=3]
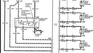
1988 toyota corolla wiring diagram another photograph:

wiring diagram 2003 silverado topper diagram base website
toyota corolla repair manual for ee90 ae92 from 1987 91
toyota corolla repair manual for ee90 ae92 from 1987 91

















