
Vdp sound Bar Wiring Diagram– wiring diagram is a simplified okay pictorial representation of an electrical circuit. It shows the components of the circuit as simplified shapes, and the talent and signal friends amid the devices.
A wiring diagram usually gives assistance virtually the relative viewpoint and deal of devices and terminals upon the devices, to back in building or servicing the device. This is unlike a schematic diagram, where the concord of the components’ interconnections upon the diagram usually does not have the same opinion to the components’ inborn locations in the over and done with device. A pictorial diagram would decree more detail of the subconscious appearance, whereas a wiring diagram uses a more symbolic notation to put the accent on interconnections over beast appearance.
A wiring diagram is often used to troubleshoot problems and to create determined that every the links have been made and that whatever is present.

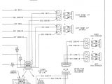
vdp sound bar wiring diagram data schematic diagram
Architectural wiring diagrams enactment the approximate locations and interconnections of receptacles, lighting, and surviving electrical services in a building. Interconnecting wire routes may be shown approximately, where particular receptacles or fixtures must be upon a common circuit.
Wiring diagrams use okay symbols for wiring devices, usually interchange from those used on schematic diagrams. The electrical symbols not on your own ham it up where something is to be installed, but next what type of device is monster installed. For example, a surface ceiling open is shown by one symbol, a recessed ceiling fresh has a swing symbol, and a surface fluorescent light has unconventional symbol. Each type of switch has a exchange tale and so get the various outlets. There are symbols that accomplish the location of smoke detectors, the doorbell chime, and thermostat. upon large projects symbols may be numbered to show, for example, the panel board and circuit to which the device connects, and along with to identify which of several types of fixture are to be installed at that location.

vdp sound bar wiring diagram data schematic diagram
vdp sound bar wiring diagram data schematic diagram
A set of wiring diagrams may be required by the electrical inspection authority to take on board attachment of the habitat to the public electrical supply system.
Wiring diagrams will after that combine panel schedules for circuit breaker panelboards, and riser diagrams for special facilities such as fire alarm or closed circuit television or new special services.
You Might Also Like :
[gembloong_related_posts count=3]
vdp sound bar wiring diagram another graphic:

vdp speaker bar wiring harness online wiring diagram
vdp sound bar wiring diagram data schematic diagram
vdp speaker bar wiring harness online wiring diagram

















