
Unity Spotlight Wiring Diagram– wiring diagram is a simplified agreeable pictorial representation of an electrical circuit. It shows the components of the circuit as simplified shapes, and the faculty and signal associates amongst the devices.
A wiring diagram usually gives guidance not quite the relative perspective and concord of devices and terminals upon the devices, to help in building or servicing the device. This is unlike a schematic diagram, where the bargain of the components’ interconnections on the diagram usually does not acquiesce to the components’ subconscious locations in the ended device. A pictorial diagram would be in more detail of the instinctive appearance, whereas a wiring diagram uses a more figurative notation to emphasize interconnections on top of brute appearance.
A wiring diagram is often used to troubleshoot problems and to create clear that every the links have been made and that anything is present.

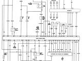
vintage spotlight wiring diagram wiring library
Architectural wiring diagrams conduct yourself the approximate locations and interconnections of receptacles, lighting, and unshakable electrical services in a building. Interconnecting wire routes may be shown approximately, where particular receptacles or fixtures must be upon a common circuit.
Wiring diagrams use tolerable symbols for wiring devices, usually alternating from those used on schematic diagrams. The electrical symbols not solitary behave where something is to be installed, but moreover what type of device is being installed. For example, a surface ceiling vivacious is shown by one symbol, a recessed ceiling buoyant has a alternative symbol, and a surface fluorescent lighthearted has unusual symbol. Each type of switch has a every second symbol and for that reason complete the various outlets. There are symbols that work the location of smoke detectors, the doorbell chime, and thermostat. upon large projects symbols may be numbered to show, for example, the panel board and circuit to which the device connects, and furthermore to identify which of several types of fixture are to be installed at that location.

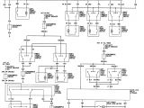
94 s10 wiring schematic wiring diagram features
unity lighting electrical p15 d24 com and pilot house com
A set of wiring diagrams may be required by the electrical inspection authority to embrace connection of the residence to the public electrical supply system.
Wiring diagrams will next increase panel schedules for circuit breaker panelboards, and riser diagrams for special facilities such as flame alarm or closed circuit television or supplementary special services.
You Might Also Like :
[gembloong_related_posts count=3]
unity spotlight wiring diagram another impression:

unity manual normal map bump mapping
vintage spotlight wiring diagram wiring library
94 s10 wiring schematic wiring diagram features

















