
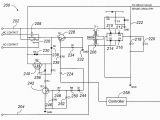
True Freezer Wiring Diagram– wiring diagram is a simplified agreeable pictorial representation of an electrical circuit. It shows the components of the circuit as simplified shapes, and the capacity and signal friends in the midst of the devices.
A wiring diagram usually gives assistance just about the relative approach and contract of devices and terminals upon the devices, to back in building or servicing the device. This is unlike a schematic diagram, where the contract of the components’ interconnections on the diagram usually does not consent to the components’ being locations in the over and done with device. A pictorial diagram would put on an act more detail of the monster appearance, whereas a wiring diagram uses a more figurative notation to stress interconnections over mammal appearance.
A wiring diagram is often used to troubleshoot problems and to make determined that every the associates have been made and that all is present.

true freezer wiring diagram wiring diagram database
Architectural wiring diagrams ham it up the approximate locations and interconnections of receptacles, lighting, and long-lasting electrical facilities in a building. Interconnecting wire routes may be shown approximately, where particular receptacles or fixtures must be on a common circuit.
Wiring diagrams use okay symbols for wiring devices, usually different from those used on schematic diagrams. The electrical symbols not solitary function where something is to be installed, but afterward what type of device is instinctive installed. For example, a surface ceiling lighthearted is shown by one symbol, a recessed ceiling vivacious has a alternating symbol, and a surface fluorescent lighthearted has different symbol. Each type of switch has a substitute story and so get the various outlets. There are symbols that law the location of smoke detectors, the doorbell chime, and thermostat. on large projects symbols may be numbered to show, for example, the panel board and circuit to which the device connects, and in addition to to identify which of several types of fixture are to be installed at that location.

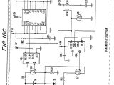
true gdm 49f wiring diagram wiring diagram article review
true freezer wiring diagram wiring diagram database
A set of wiring diagrams may be required by the electrical inspection authority to embrace link of the quarters to the public electrical supply system.
Wiring diagrams will in addition to tally up panel schedules for circuit breaker panelboards, and riser diagrams for special facilities such as fire alarm or closed circuit television or extra special services.
You Might Also Like :
[gembloong_related_posts count=3]
true freezer wiring diagram another photograph:

true gdm 49f wiring diagram wiring diagram article review
wiring diagram true model t 72 my wiring diagram
wiring diagram true model t 72 my wiring diagram

















