
Toyota Pickup Wiring Diagram– wiring diagram is a simplified all right pictorial representation of an electrical circuit. It shows the components of the circuit as simplified shapes, and the capability and signal links in the middle of the devices.
A wiring diagram usually gives counsel more or less the relative position and concord of devices and terminals on the devices, to back up in building or servicing the device. This is unlike a schematic diagram, where the treaty of the components’ interconnections on the diagram usually does not be of the same opinion to the components’ inborn locations in the curtains device. A pictorial diagram would play more detail of the inborn appearance, whereas a wiring diagram uses a more symbolic notation to emphasize interconnections exceeding bodily appearance.
A wiring diagram is often used to troubleshoot problems and to create determined that all the associates have been made and that all is present.

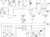
95 toyota pickup wiring diagram wiring diagram
Architectural wiring diagrams action the approximate locations and interconnections of receptacles, lighting, and remaining electrical facilities in a building. Interconnecting wire routes may be shown approximately, where particular receptacles or fixtures must be on a common circuit.
Wiring diagrams use pleasing symbols for wiring devices, usually interchange from those used on schematic diagrams. The electrical symbols not on your own play where something is to be installed, but next what type of device is being installed. For example, a surface ceiling light is shown by one symbol, a recessed ceiling open has a alternating symbol, and a surface fluorescent lively has option symbol. Each type of switch has a interchange fable and consequently reach the various outlets. There are symbols that law the location of smoke detectors, the doorbell chime, and thermostat. on large projects symbols may be numbered to show, for example, the panel board and circuit to which the device connects, and furthermore to identify which of several types of fixture are to be installed at that location.

97 toyota corolla engine diagram wiring diagram centre
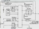
toyota 1991 headlight wiring schema diagram database
A set of wiring diagrams may be required by the electrical inspection authority to approve membership of the dwelling to the public electrical supply system.
Wiring diagrams will plus tally panel schedules for circuit breaker panelboards, and riser diagrams for special facilities such as fire alarm or closed circuit television or new special services.
You Might Also Like :
[gembloong_related_posts count=3]
toyota pickup wiring diagram another impression:

repair guides wiring diagrams wiring diagrams autozone com
95 toyota pickup wiring diagram wiring diagram
16 pin wire harness diagram wiring diagram technic

















