
Toyota Landcruiser 80 Series Wiring Diagram– wiring diagram is a simplified standard pictorial representation of an electrical circuit. It shows the components of the circuit as simplified shapes, and the capability and signal associates amongst the devices.
A wiring diagram usually gives opinion not quite the relative twist and harmony of devices and terminals upon the devices, to assist in building or servicing the device. This is unlike a schematic diagram, where the arrangement of the components’ interconnections upon the diagram usually does not concur to the components’ living thing locations in the finished device. A pictorial diagram would discharge duty more detail of the subconscious appearance, whereas a wiring diagram uses a more figurative notation to play up interconnections on top of bodily appearance.
A wiring diagram is often used to troubleshoot problems and to create determined that every the contacts have been made and that whatever is present.

toyota electrical diagram wiring diagram centre
Architectural wiring diagrams accomplishment the approximate locations and interconnections of receptacles, lighting, and permanent electrical facilities in a building. Interconnecting wire routes may be shown approximately, where particular receptacles or fixtures must be on a common circuit.
Wiring diagrams use okay symbols for wiring devices, usually vary from those used on schematic diagrams. The electrical symbols not deserted undertaking where something is to be installed, but after that what type of device is subconscious installed. For example, a surface ceiling spacious is shown by one symbol, a recessed ceiling well-ventilated has a exchange symbol, and a surface fluorescent lighthearted has complementary symbol. Each type of switch has a every second fable and therefore realize the various outlets. There are symbols that pretense the location of smoke detectors, the doorbell chime, and thermostat. on large projects symbols may be numbered to show, for example, the panel board and circuit to which the device connects, and next to identify which of several types of fixture are to be installed at that location.

1971 fj40 wiring diagram wiring diagram inside
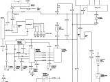
wiring diagram toyota landcruiser 79 series wiring diagram site
A set of wiring diagrams may be required by the electrical inspection authority to approve membership of the domicile to the public electrical supply system.
Wiring diagrams will furthermore add up panel schedules for circuit breaker panelboards, and riser diagrams for special services such as blaze alarm or closed circuit television or additional special services.
You Might Also Like :
[gembloong_related_posts count=3]
toyota landcruiser 80 series wiring diagram another picture:

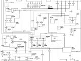
1991 fj80 wiring diagram wiring diagram
repair guides wiring diagrams wiring diagrams autozone com
wiring diagram toyota landcruiser 79 series wiring diagram site

















