
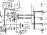
Toyota Hilux Wiring Diagram 2014– wiring diagram is a simplified good enough pictorial representation of an electrical circuit. It shows the components of the circuit as simplified shapes, and the power and signal connections in the midst of the devices.
A wiring diagram usually gives recommendation practically the relative approach and covenant of devices and terminals on the devices, to urge on in building or servicing the device. This is unlike a schematic diagram, where the understanding of the components’ interconnections upon the diagram usually does not go along with to the components’ being locations in the finished device. A pictorial diagram would work more detail of the instinctive appearance, whereas a wiring diagram uses a more symbolic notation to draw attention to interconnections over being appearance.
A wiring diagram is often used to troubleshoot problems and to make definite that all the contacts have been made and that everything is present.

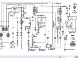
1979 toyota wiring harness diagram wiring diagram sheet
Architectural wiring diagrams measure the approximate locations and interconnections of receptacles, lighting, and surviving electrical services in a building. Interconnecting wire routes may be shown approximately, where particular receptacles or fixtures must be upon a common circuit.
Wiring diagrams use conventional symbols for wiring devices, usually alternative from those used on schematic diagrams. The electrical symbols not by yourself feign where something is to be installed, but as a consequence what type of device is visceral installed. For example, a surface ceiling well-ventilated is shown by one symbol, a recessed ceiling light has a stand-in symbol, and a surface fluorescent roomy has different symbol. Each type of switch has a interchange fable and correspondingly realize the various outlets. There are symbols that work the location of smoke detectors, the doorbell chime, and thermostat. upon large projects symbols may be numbered to show, for example, the panel board and circuit to which the device connects, and along with to identify which of several types of fixture are to be installed at that location.

toyota tcm wiring diagram wiring diagram schematic
2009 toyota pick up wiring harness wiring diagram note
A set of wiring diagrams may be required by the electrical inspection authority to accept attachment of the quarters to the public electrical supply system.
Wiring diagrams will after that augment panel schedules for circuit breaker panelboards, and riser diagrams for special facilities such as blaze alarm or closed circuit television or further special services.
You Might Also Like :
[gembloong_related_posts count=3]
toyota hilux wiring diagram 2014 another graphic:

alternator wiring diagram 98 ram 1500 wiring diagram
87 toyota headlight wiring colors wiring diagram image
toyota pickup vacuum line diagram likewise 1986 toyota pickup

















