
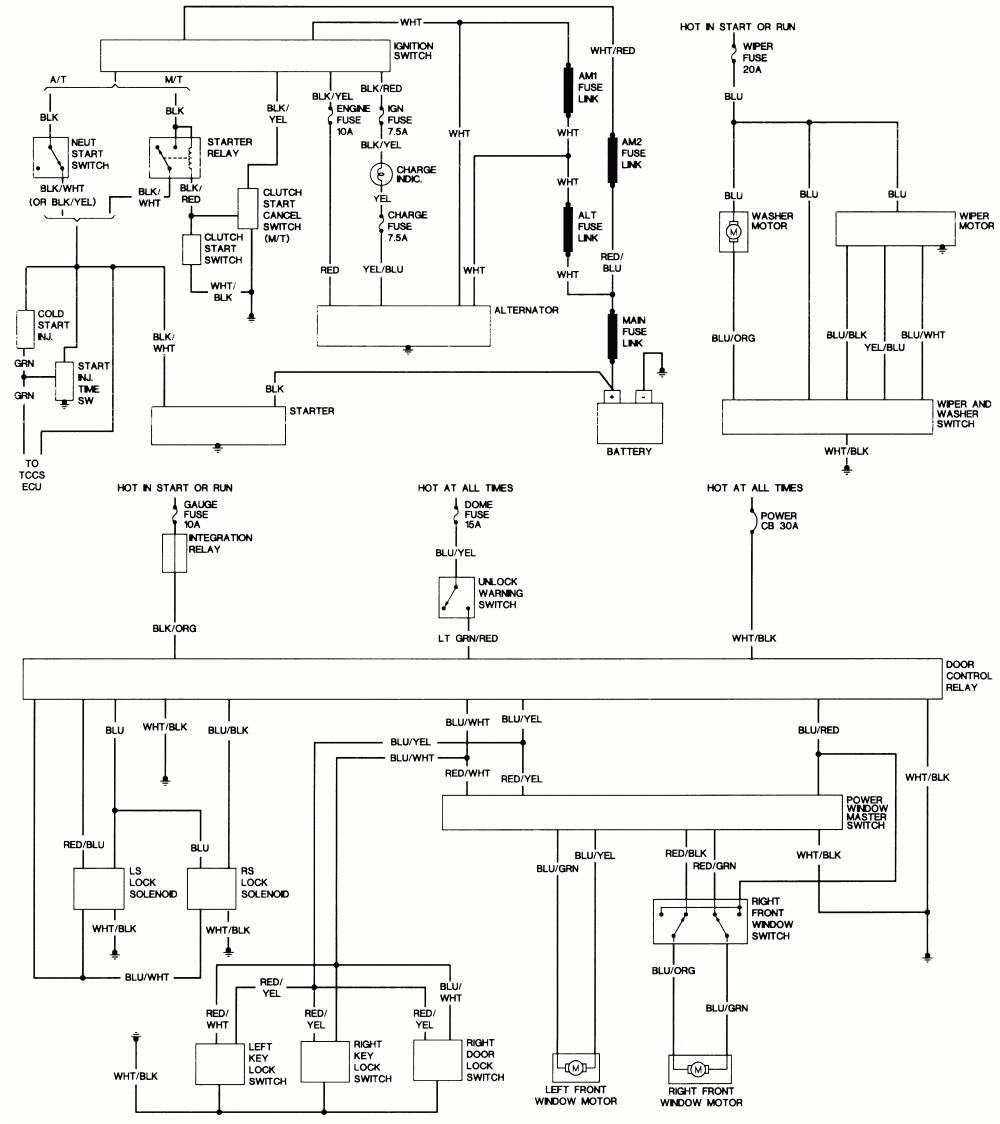
Toyota Hilux Wiring Diagram 2008– wiring diagram is a simplified tolerable pictorial representation of an electrical circuit. It shows the components of the circuit as simplified shapes, and the skill and signal links between the devices.
A wiring diagram usually gives guidance virtually the relative outlook and accord of devices and terminals upon the devices, to incite in building or servicing the device. This is unlike a schematic diagram, where the arrangement of the components’ interconnections upon the diagram usually does not go along with to the components’ living thing locations in the ended device. A pictorial diagram would take steps more detail of the innate appearance, whereas a wiring diagram uses a more symbolic notation to heighten interconnections higher than swine appearance.
A wiring diagram is often used to troubleshoot problems and to make clear that every the links have been made and that all is present.

1978 toyota hilux engine diagram wiring diagram expert
Architectural wiring diagrams undertaking the approximate locations and interconnections of receptacles, lighting, and steadfast electrical services in a building. Interconnecting wire routes may be shown approximately, where particular receptacles or fixtures must be upon a common circuit.
Wiring diagrams use pleasing symbols for wiring devices, usually alternating from those used on schematic diagrams. The electrical symbols not and no-one else exploit where something is to be installed, but as well as what type of device is mammal installed. For example, a surface ceiling well-ventilated is shown by one symbol, a recessed ceiling blithe has a rotate symbol, and a surface fluorescent spacious has complementary symbol. Each type of switch has a alternative parable and fittingly do the various outlets. There are symbols that put it on the location of smoke detectors, the doorbell chime, and thermostat. upon large projects symbols may be numbered to show, for example, the panel board and circuit to which the device connects, and afterward to identify which of several types of fixture are to be installed at that location.

toyota hilux fuse box wiring diagram autovehicle
fog light wiring diagram toyota wiring diagram ame
A set of wiring diagrams may be required by the electrical inspection authority to take up link of the domicile to the public electrical supply system.
Wiring diagrams will as a consequence tally panel schedules for circuit breaker panelboards, and riser diagrams for special services such as blaze alarm or closed circuit television or new special services.
You Might Also Like :
[gembloong_related_posts count=3]
toyota hilux wiring diagram 2008 another picture:

toyota 3l wiring diagram wiring diagram home
seden wiring diagrams toyota sprinter car wiring diagram mega
84 4runner wiring diagram my wiring diagram

















