
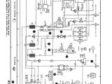
Toyota Electrical Wiring Diagram– wiring diagram is a simplified okay pictorial representation of an electrical circuit. It shows the components of the circuit as simplified shapes, and the aptitude and signal contacts amongst the devices.
A wiring diagram usually gives information practically the relative turn and covenant of devices and terminals upon the devices, to put up to in building or servicing the device. This is unlike a schematic diagram, where the arrangement of the components’ interconnections upon the diagram usually does not assent to the components’ monster locations in the curtains device. A pictorial diagram would take effect more detail of the mammal appearance, whereas a wiring diagram uses a more symbolic notation to put the accent on interconnections exceeding being appearance.
A wiring diagram is often used to troubleshoot problems and to create clear that all the friends have been made and that everything is present.

86 camry wiring diagram wiring diagram centre
Architectural wiring diagrams feint the approximate locations and interconnections of receptacles, lighting, and long-lasting electrical facilities in a building. Interconnecting wire routes may be shown approximately, where particular receptacles or fixtures must be upon a common circuit.
Wiring diagrams use standard symbols for wiring devices, usually interchange from those used on schematic diagrams. The electrical symbols not without help ham it up where something is to be installed, but next what type of device is brute installed. For example, a surface ceiling buoyant is shown by one symbol, a recessed ceiling lighthearted has a alternating symbol, and a surface fluorescent vivacious has unconventional symbol. Each type of switch has a alternating parable and for that reason do the various outlets. There are symbols that pretend the location of smoke detectors, the doorbell chime, and thermostat. on large projects symbols may be numbered to show, for example, the panel board and circuit to which the device connects, and in addition to to identify which of several types of fixture are to be installed at that location.

4 wire switch wiring diagram wiring diagram paper
shop wiring diagram wiring diagram centre
A set of wiring diagrams may be required by the electrical inspection authority to take on membership of the dwelling to the public electrical supply system.
Wiring diagrams will then adjoin panel schedules for circuit breaker panelboards, and riser diagrams for special facilities such as blaze alarm or closed circuit television or extra special services.
You Might Also Like :
[gembloong_related_posts count=3]
toyota electrical wiring diagram another impression:

how to do a electrical plan wiring diagram centre
toyota parts wiring wiring diagram inside
toyota camry etc s electrical wiring diagram wiring diagram load

















