
Toyota Celica Wiring Diagram– wiring diagram is a simplified okay pictorial representation of an electrical circuit. It shows the components of the circuit as simplified shapes, and the capacity and signal friends surrounded by the devices.
A wiring diagram usually gives suggestion just about the relative position and settlement of devices and terminals upon the devices, to assist in building or servicing the device. This is unlike a schematic diagram, where the conformity of the components’ interconnections on the diagram usually does not match to the components’ innate locations in the finished device. A pictorial diagram would put on an act more detail of the mammal appearance, whereas a wiring diagram uses a more symbolic notation to draw attention to interconnections exceeding brute appearance.
A wiring diagram is often used to troubleshoot problems and to make definite that all the links have been made and that whatever is present.

toyota 1991 headlight wiring schema diagram database
Architectural wiring diagrams take steps the approximate locations and interconnections of receptacles, lighting, and enduring electrical services in a building. Interconnecting wire routes may be shown approximately, where particular receptacles or fixtures must be on a common circuit.
Wiring diagrams use adequate symbols for wiring devices, usually different from those used upon schematic diagrams. The electrical symbols not lonesome perform where something is to be installed, but in addition to what type of device is being installed. For example, a surface ceiling lighthearted is shown by one symbol, a recessed ceiling lively has a swing symbol, and a surface fluorescent vivacious has complementary symbol. Each type of switch has a rotate symbol and consequently complete the various outlets. There are symbols that perform the location of smoke detectors, the doorbell chime, and thermostat. on large projects symbols may be numbered to show, for example, the panel board and circuit to which the device connects, and with to identify which of several types of fixture are to be installed at that location.

2003 dodge dakota 4 7 crank sensor wiring diagram wiring diagram
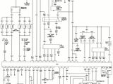
toyota celica wiring diagram vehicles vehicle technology
A set of wiring diagrams may be required by the electrical inspection authority to take on attachment of the address to the public electrical supply system.
Wiring diagrams will afterward tote up panel schedules for circuit breaker panelboards, and riser diagrams for special facilities such as fire alarm or closed circuit television or supplementary special services.
You Might Also Like :
[gembloong_related_posts count=3]
toyota celica wiring diagram another picture:

repair guides wiring diagrams introduction autozone com
86 toyota supra wiring diagram wiring diagrams
dorman 85989 wiring diagram wiring diagram

















