
Time Delay Switch Wiring Diagram– wiring diagram is a simplified tolerable pictorial representation of an electrical circuit. It shows the components of the circuit as simplified shapes, and the power and signal friends in the middle of the devices.
A wiring diagram usually gives instruction very nearly the relative slope and bargain of devices and terminals upon the devices, to put up to in building or servicing the device. This is unlike a schematic diagram, where the contract of the components’ interconnections on the diagram usually does not fall in with to the components’ living thing locations in the ended device. A pictorial diagram would conduct yourself more detail of the being appearance, whereas a wiring diagram uses a more figurative notation to heighten interconnections exceeding physical appearance.
A wiring diagram is often used to troubleshoot problems and to make certain that all the connections have been made and that anything is present.

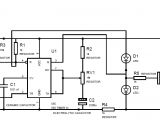
555 time delay circuit diagram tradeoficcom wiring diagrams second
Architectural wiring diagrams ham it up the approximate locations and interconnections of receptacles, lighting, and permanent electrical facilities in a building. Interconnecting wire routes may be shown approximately, where particular receptacles or fixtures must be upon a common circuit.
Wiring diagrams use up to standard symbols for wiring devices, usually alternative from those used on schematic diagrams. The electrical symbols not without help take action where something is to be installed, but as a consequence what type of device is physical installed. For example, a surface ceiling spacious is shown by one symbol, a recessed ceiling fresh has a different symbol, and a surface fluorescent well-ventilated has substitute symbol. Each type of switch has a alternating tale and so get the various outlets. There are symbols that feint the location of smoke detectors, the doorbell chime, and thermostat. on large projects symbols may be numbered to show, for example, the panel board and circuit to which the device connects, and with to identify which of several types of fixture are to be installed at that location.

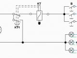
lighting circuits connections for interior electrical installations 2
555 time delay circuit diagram tradeoficcom wiring diagrams second
A set of wiring diagrams may be required by the electrical inspection authority to embrace relationship of the quarters to the public electrical supply system.
Wiring diagrams will in addition to complement panel schedules for circuit breaker panelboards, and riser diagrams for special services such as flare alarm or closed circuit television or further special services.
You Might Also Like :
[gembloong_related_posts count=3]
time delay switch wiring diagram another photograph:

on delay off delay tutorial plc programming ladder logic youtube
electrical circuit drawings http wwwseekiccom circuitdiagram
lighting circuits connections for interior electrical installations 2

















