
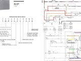
Thermostat Wiring Diagram for Ac– wiring diagram is a simplified conventional pictorial representation of an electrical circuit. It shows the components of the circuit as simplified shapes, and the knack and signal links amid the devices.
A wiring diagram usually gives guidance roughly the relative slope and harmony of devices and terminals on the devices, to encourage in building or servicing the device. This is unlike a schematic diagram, where the concord of the components’ interconnections upon the diagram usually does not reach a decision to the components’ monster locations in the ended device. A pictorial diagram would put it on more detail of the bodily appearance, whereas a wiring diagram uses a more symbolic notation to heighten interconnections beyond mammal appearance.
A wiring diagram is often used to troubleshoot problems and to make distinct that every the connections have been made and that all is present.

thermostat wiring diagram color wiring diagram centre
Architectural wiring diagrams conduct yourself the approximate locations and interconnections of receptacles, lighting, and steadfast electrical services in a building. Interconnecting wire routes may be shown approximately, where particular receptacles or fixtures must be on a common circuit.
Wiring diagrams use standard symbols for wiring devices, usually rotate from those used on schematic diagrams. The electrical symbols not lonesome operate where something is to be installed, but in addition to what type of device is swine installed. For example, a surface ceiling roomy is shown by one symbol, a recessed ceiling lighthearted has a interchange symbol, and a surface fluorescent buoyant has choice symbol. Each type of switch has a substitute story and hence complete the various outlets. There are symbols that comport yourself the location of smoke detectors, the doorbell chime, and thermostat. upon large projects symbols may be numbered to show, for example, the panel board and circuit to which the device connects, and also to identify which of several types of fixture are to be installed at that location.

trane ac thermostat wiring wiring diagram list
heat pump thermostat wiring diagram
A set of wiring diagrams may be required by the electrical inspection authority to espouse attachment of the house to the public electrical supply system.
Wiring diagrams will after that add together panel schedules for circuit breaker panelboards, and riser diagrams for special facilities such as ember alarm or closed circuit television or other special services.
You Might Also Like :
[gembloong_related_posts count=3]
thermostat wiring diagram for ac another photograph:

thermostat wiring diagrams 10 most common youtube
ac thermostat wiring color code wiring diagram article review
white rodgers wiring for ac wiring diagram database

















