wheel horse

Wheel Horse 520h Wiring Diagram

Wheel Horse 520h Wiring Diagram Wrg 1056 toro Riding Mower Wiring Diagrams
Wheel Horse 520h Wiring Diagram Wrg 1056 toro Riding Mower Wiring Diagrams
Wheel Horse 520h Wiring Diagram Wheel Horse 520h Wiring Diagram Wiring Diagram Chart
Wheel Horse 520h Wiring Diagram Hilti Te72 Wiring Diagram Wiring Diagram Img
Wheel Horse 520h Wiring Diagram toro Wheelhorse Demystification Electical Wiring Diagrams for All

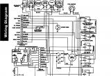
Wheel Horse 520h Wiring Diagram - wiring diagram is a simplified okay pictorial representation of an electrical circuit. It shows the components of the circuit as simplified shapes, and the skill...