nordyne heat pump issues

Nordyne Heat Pump Wiring Diagram

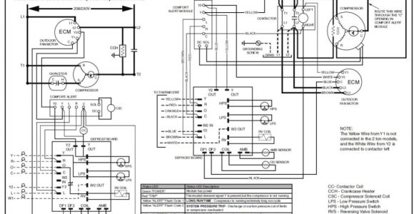
Nordyne Heat Pump Wiring Diagram Gibson Heat Pump Wiring Diagram Blog Wiring Diagram
Nordyne Heat Pump Wiring Diagram Gibson Heat Pump Wiring Diagram Blog Wiring Diagram
Nordyne Heat Pump Wiring Diagram nordyne Heat Pump Wiring Diagram with 15 Kw Heat Wiring Diagrams
Nordyne Heat Pump Wiring Diagram nordyne Heat Pump Wiring Diagram with 15 Kw Heat Wiring Diagrams
Nordyne Heat Pump Wiring Diagram Ac Wiring Diagram Lovely Beautiful Heat Pump nordyne Unit Prices

Nordyne Heat Pump Wiring Diagram - wiring diagram is a simplified okay pictorial representation of an electrical circuit. It shows the components of the circuit as simplified shapes, and the faci...