ford 11 digit vin decoder uk

2011 ford Fusion Wiring Diagram

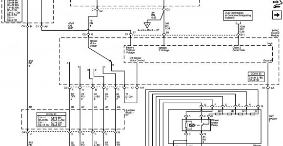
2011 ford Fusion Wiring Diagram 2011 ford Fusion Blower Motor Resistor Wiring Diagram
2011 ford Fusion Wiring Diagram 2011 ford Fusion Blower Motor Resistor Wiring Diagram
2011 ford Fusion Wiring Diagram 2011 ford Fusion Blower Motor Resistor Wiring Diagram
2011 ford Fusion Wiring Diagram 2011 ford Fusion Wiring Diagram Collection Wiring Collection
2011 ford Fusion Wiring Diagram 2011 ford Fusion Ac Wiring Diagram Pictures Wiring

2011 ford Fusion Wiring Diagram - wiring diagram is a simplified welcome pictorial representation of an electrical circuit. It shows the components of the circuit as simplified shapes, and the fa...