
2011 ford Fusion Wiring Diagram– wiring diagram is a simplified welcome pictorial representation of an electrical circuit. It shows the components of the circuit as simplified shapes, and the facility and signal contacts between the devices.
A wiring diagram usually gives counsel approximately the relative incline and bargain of devices and terminals upon the devices, to urge on in building or servicing the device. This is unlike a schematic diagram, where the contract of the components’ interconnections on the diagram usually does not correspond to the components’ monster locations in the ended device. A pictorial diagram would behave more detail of the living thing appearance, whereas a wiring diagram uses a more figurative notation to play up interconnections beyond instinctive appearance.
A wiring diagram is often used to troubleshoot problems and to create sure that all the contacts have been made and that whatever is present.

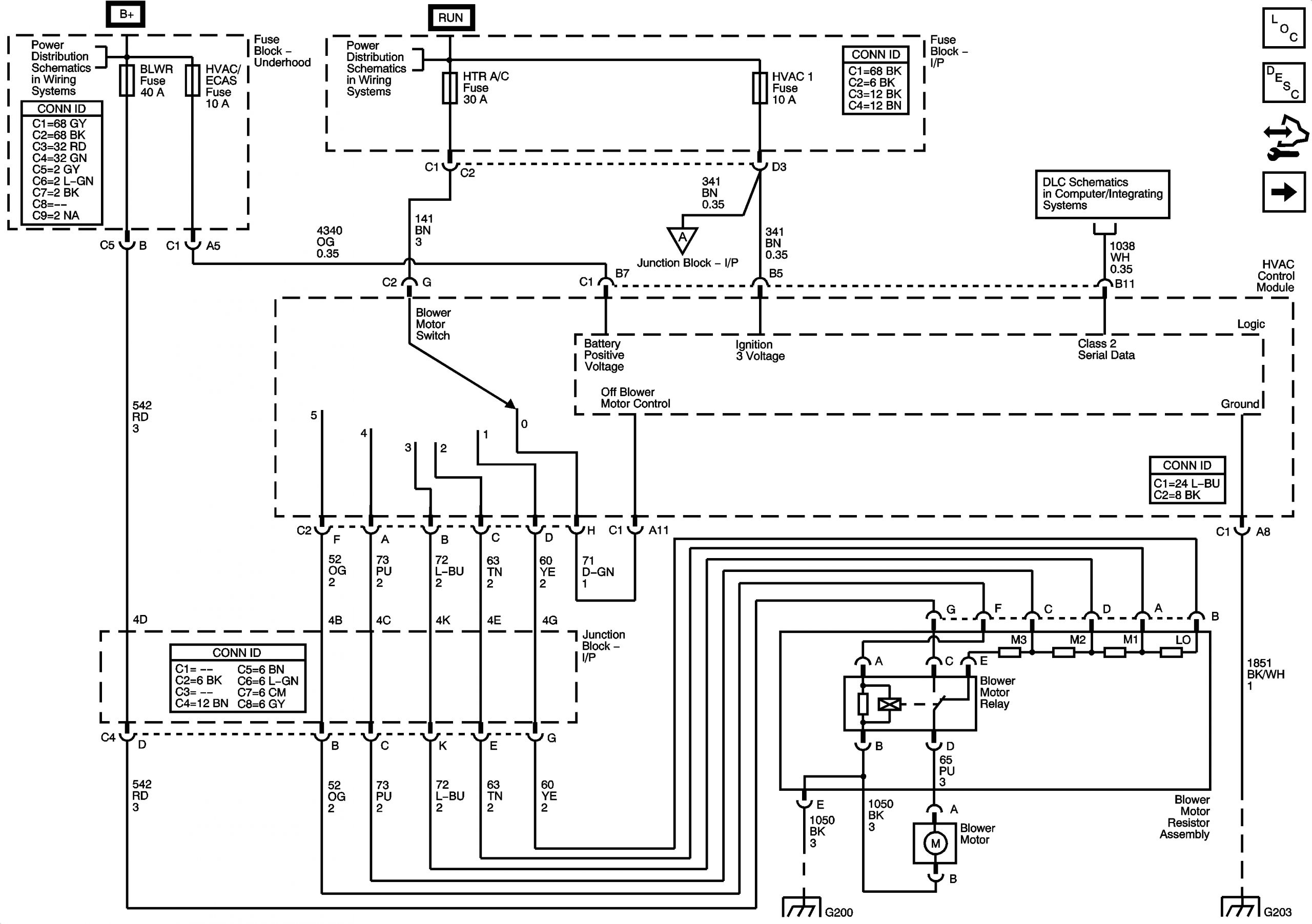
2011 ford fusion blower motor resistor wiring diagram
Architectural wiring diagrams accomplish the approximate locations and interconnections of receptacles, lighting, and permanent electrical facilities in a building. Interconnecting wire routes may be shown approximately, where particular receptacles or fixtures must be upon a common circuit.
Wiring diagrams use conventional symbols for wiring devices, usually swing from those used on schematic diagrams. The electrical symbols not by yourself take effect where something is to be installed, but next what type of device is inborn installed. For example, a surface ceiling spacious is shown by one symbol, a recessed ceiling buoyant has a substitute symbol, and a surface fluorescent lighthearted has unorthodox symbol. Each type of switch has a vary fable and thus get the various outlets. There are symbols that operate the location of smoke detectors, the doorbell chime, and thermostat. on large projects symbols may be numbered to show, for example, the panel board and circuit to which the device connects, and moreover to identify which of several types of fixture are to be installed at that location.

2011 ford fusion wiring diagram collection wiring collection
2011 ford fusion ac wiring diagram pictures wiring
A set of wiring diagrams may be required by the electrical inspection authority to embrace attachment of the domicile to the public electrical supply system.
Wiring diagrams will as a consequence insert panel schedules for circuit breaker panelboards, and riser diagrams for special facilities such as flare alarm or closed circuit television or further special services.
You Might Also Like :
[gembloong_related_posts count=3]
2011 ford fusion wiring diagram another impression:

2011 ford fusion blower motor resistor wiring diagram
2011 ford f150 radio wiring diagram wiring diagram and
2011 ford fusion radio wiring diagram images wiring

















