club golf levis

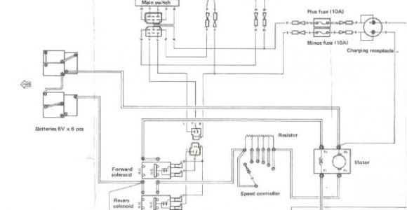
Club Golf Cart Wiring Diagram

Club Golf Cart Wiring Diagram Hyundai Golf Cart Wiring Diagram with Images Yamaha Golf
Club Golf Cart Wiring Diagram Hyundai Golf Cart Wiring Diagram with Images Yamaha Golf
Club Golf Cart Wiring Diagram Wiring Diagram 1997 Club Car Ds with Blog Wiring Diagram
Club Golf Cart Wiring Diagram 7 Best Golf Cart Images Golf Carts Golf Club Car Golf Cart
Club Golf Cart Wiring Diagram 33 Club Car Precedent Wiring Diagram Wiring Diagram List

...