Club Golf Cart Wiring Diagram


Warning: count(): Parameter must be an array or an object that implements Countable in /var/www/html/autocardesign.org/wp-content/themes/silegan-wordpress-theme/inc/themeson.class.php on line 625
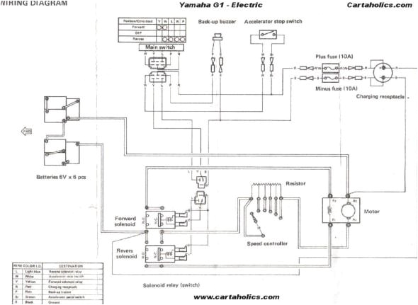
Club Golf Cart Wiring Diagram Hyundai Golf Cart Wiring Diagram with Images Yamaha Golf
Club Golf Cart Wiring Diagram Hyundai Golf Cart Wiring Diagram with Images Yamaha Golf