96 jeep

96 Jeep Grand Cherokee Wiring Diagram

96 Jeep Grand Cherokee Wiring Diagram Wiring Diagram toyota Unser Extended Wiring Diagram
96 Jeep Grand Cherokee Wiring Diagram Wiring Diagram toyota Unser Extended Wiring Diagram
96 Jeep Grand Cherokee Wiring Diagram 07 Jeep Grand Cherokee Wiring Diagram Wiring Diagram Center
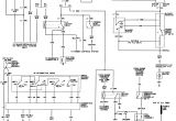
96 Jeep Grand Cherokee Wiring Diagram Repair Guides Wiring Diagrams See Figures 1 Through 50
96 Jeep Grand Cherokee Wiring Diagram Wire Diagram 86 Jeep Xj Wiring Diagram Center

96 Jeep Grand Cherokee Wiring Diagram - wiring diagram is a simplified satisfactory pictorial representation of an electrical circuit. It shows the components of the circuit as simplified shapes,...