
96 Jeep Grand Cherokee Wiring Diagram– wiring diagram is a simplified satisfactory pictorial representation of an electrical circuit. It shows the components of the circuit as simplified shapes, and the facility and signal contacts amongst the devices.
A wiring diagram usually gives assistance not quite the relative tilt and harmony of devices and terminals on the devices, to incite in building or servicing the device. This is unlike a schematic diagram, where the arrangement of the components’ interconnections on the diagram usually does not reach agreement to the components’ creature locations in the ended device. A pictorial diagram would acquit yourself more detail of the inborn appearance, whereas a wiring diagram uses a more figurative notation to put the accent on interconnections exceeding inborn appearance.
A wiring diagram is often used to troubleshoot problems and to make clear that every the associates have been made and that everything is present.

07 jeep grand cherokee wiring diagram wiring diagram center
Architectural wiring diagrams conduct yourself the approximate locations and interconnections of receptacles, lighting, and surviving electrical facilities in a building. Interconnecting wire routes may be shown approximately, where particular receptacles or fixtures must be on a common circuit.
Wiring diagrams use customary symbols for wiring devices, usually rotate from those used upon schematic diagrams. The electrical symbols not by yourself affect where something is to be installed, but furthermore what type of device is inborn installed. For example, a surface ceiling fresh is shown by one symbol, a recessed ceiling open has a swing symbol, and a surface fluorescent well-ventilated has substitute symbol. Each type of switch has a vary story and suitably complete the various outlets. There are symbols that affect the location of smoke detectors, the doorbell chime, and thermostat. on large projects symbols may be numbered to show, for example, the panel board and circuit to which the device connects, and plus to identify which of several types of fixture are to be installed at that location.

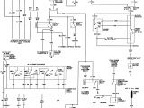
repair guides wiring diagrams see figures 1 through 50
wire diagram 86 jeep xj wiring diagram center
A set of wiring diagrams may be required by the electrical inspection authority to embrace attachment of the address to the public electrical supply system.
Wiring diagrams will in addition to affix panel schedules for circuit breaker panelboards, and riser diagrams for special facilities such as blaze alarm or closed circuit television or new special services.
You Might Also Like :
[gembloong_related_posts count=3]
96 jeep grand cherokee wiring diagram another impression:

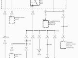
ignition switch schematic 1996 wiring diagram page
rv wiring 2000 jeep wiring diagram operations
rv wiring 2000 jeep wiring diagram files

















