2006 dodge ram 2500 sel ac wiring diagram

2006 Dodge Ram 2500 Diesel Wiring Diagram

2006 Dodge Ram 2500 Diesel Wiring Diagram 2006 Dodge Ram 2500 Diesel Wiring Diagram
2006 Dodge Ram 2500 Diesel Wiring Diagram 2006 Dodge Ram 2500 Diesel Wiring Diagram
2006 Dodge Ram 2500 Diesel Wiring Diagram 2006 Dodge Ram 2500 Diesel Wiring Diagram
2006 Dodge Ram 2500 Diesel Wiring Diagram 2006 Dodge Ram 2500 Diesel Wiring Diagram
2006 Dodge Ram 2500 Diesel Wiring Diagram 2006 Dodge Ram 2500 Diesel Wiring Diagram Wiring

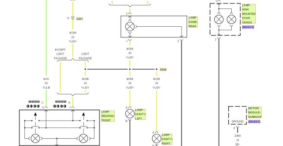
2006 Dodge Ram 2500 Diesel Wiring Diagram - wiring diagram is a simplified gratifying pictorial representation of an electrical circuit. It shows the components of the circuit as simplified shape...