2002 gmc

2002 Gmc Trailer Wiring Diagram

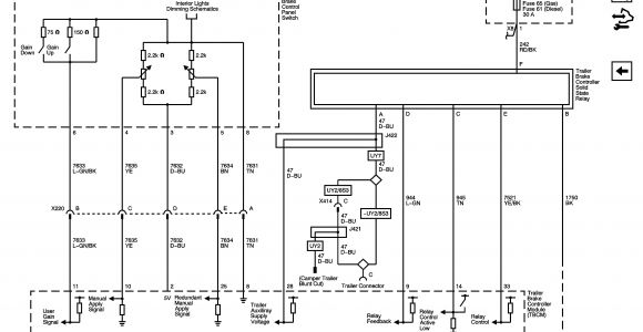
2002 Gmc Trailer Wiring Diagram 2002 Gmc Trailer Wiring Wiring Diagrams for
2002 Gmc Trailer Wiring Diagram 2002 Gmc Trailer Wiring Wiring Diagrams for
2002 Gmc Trailer Wiring Diagram 2002 Gmc Trailer Wiring Wiring Diagram Operations
2002 Gmc Trailer Wiring Diagram 2002 Gmc Trailer Wiring Wiring Diagrams for
2002 Gmc Trailer Wiring Diagram 2002 Gmc Trailer Wiring Blog Wiring Diagram

2002 Gmc Trailer Wiring Diagram - wiring diagram is a simplified adequate pictorial representation of an electrical circuit. It shows the components of the circuit as simplified shapes, and the a...

2002 Gmc Envoy Stereo Wiring Diagram

2002 Gmc Envoy Stereo Wiring Diagram 99 isuzu Rodeo Wiring Diagram Lupa Fuse9 Klictravel Nl
2002 Gmc Envoy Stereo Wiring Diagram 99 isuzu Rodeo Wiring Diagram Lupa Fuse9 Klictravel Nl
2002 Gmc Envoy Stereo Wiring Diagram Gmc W5500 Wiring Diagrams Diagram Base Website Wiring
2002 Gmc Envoy Stereo Wiring Diagram 2006 Trailblazer Stereo Wiring Diagram Wiring Diagram
2002 Gmc Envoy Stereo Wiring Diagram Radio Wiring Help Keju Manna21 Immofux Freiburg De

...