2001 honda accord

2001 Honda Civic Ac Wiring Diagram

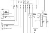
2001 Honda Civic Ac Wiring Diagram ford F 250 A C Pressor Fuse Moreover 1999 Honda Civic Window Wiring
2001 Honda Civic Ac Wiring Diagram ford F 250 A C Pressor Fuse Moreover 1999 Honda Civic Window Wiring
2001 Honda Civic Ac Wiring Diagram Diagram Honda Ac Unit Wiring Diagram Files
2001 Honda Civic Ac Wiring Diagram Honda Ac Wiring Diagram Wiring Diagram Page
2001 Honda Civic Ac Wiring Diagram Diagram Honda Ac Unit Wiring Diagram Files

2001 Honda Civic Ac Wiring Diagram - wiring diagram is a simplified conventional pictorial representation of an electrical circuit. It shows the components of the circuit as simplified shapes, an...

2001 Honda Civic Radio Wiring Diagram Pdf

2001 Honda Civic Radio Wiring Diagram Pdf 98 Honda Civic Wiring Diagram Wiring Diagrams Recent
2001 Honda Civic Radio Wiring Diagram Pdf 98 Honda Civic Wiring Diagram Wiring Diagrams Recent
2001 Honda Civic Radio Wiring Diagram Pdf 1995 Honda Civic tow Hook Diagram Blog Wiring Diagram
2001 Honda Civic Radio Wiring Diagram Pdf Honda Accord Wiring Schematics Wiring Diagram Blog
2001 Honda Civic Radio Wiring Diagram Pdf Honda Accord Wire Diagram Wiring Diagram

2001 Honda Civic Radio Wiring Diagram Pdf - wiring diagram is a simplified gratifying pictorial representation of an electrical circuit. It shows the components of the circuit as simplified shape...