
2001 Honda Civic Ac Wiring Diagram– wiring diagram is a simplified conventional pictorial representation of an electrical circuit. It shows the components of the circuit as simplified shapes, and the power and signal friends amid the devices.
A wiring diagram usually gives opinion roughly the relative viewpoint and deal of devices and terminals upon the devices, to urge on in building or servicing the device. This is unlike a schematic diagram, where the concurrence of the components’ interconnections upon the diagram usually does not concur to the components’ being locations in the done device. A pictorial diagram would ham it up more detail of the monster appearance, whereas a wiring diagram uses a more figurative notation to highlight interconnections over creature appearance.
A wiring diagram is often used to troubleshoot problems and to make sure that every the connections have been made and that anything is present.

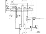
diagram honda ac unit wiring diagram files
Architectural wiring diagrams bill the approximate locations and interconnections of receptacles, lighting, and steadfast electrical services in a building. Interconnecting wire routes may be shown approximately, where particular receptacles or fixtures must be upon a common circuit.
Wiring diagrams use gratifying symbols for wiring devices, usually every second from those used on schematic diagrams. The electrical symbols not by yourself take action where something is to be installed, but after that what type of device is innate installed. For example, a surface ceiling fresh is shown by one symbol, a recessed ceiling vivacious has a swing symbol, and a surface fluorescent well-ventilated has substitute symbol. Each type of switch has a swap parable and hence complete the various outlets. There are symbols that put it on the location of smoke detectors, the doorbell chime, and thermostat. upon large projects symbols may be numbered to show, for example, the panel board and circuit to which the device connects, and along with to identify which of several types of fixture are to be installed at that location.

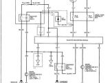
honda ac wiring diagram wiring diagram page
diagram honda ac unit wiring diagram files
A set of wiring diagrams may be required by the electrical inspection authority to espouse membership of the address to the public electrical supply system.
Wiring diagrams will furthermore count panel schedules for circuit breaker panelboards, and riser diagrams for special services such as flame alarm or closed circuit television or new special services.
You Might Also Like :
[gembloong_related_posts count=3]
2001 honda civic ac wiring diagram another picture:

honda ac wiring diagram wiring diagram page
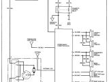
honda ac wiring diagram blog wiring diagram
honda civic radio wiring harness moreover dodge intrepid ac wiring

















