1998 toyota

1998 toyota Sienna Spark Plug Wire Diagram

1998 toyota Sienna Spark Plug Wire Diagram 1998 toyota Sienna Spark Plug Wire Diagram New 1998 toyota Sienna
1998 toyota Sienna Spark Plug Wire Diagram 1998 toyota Sienna Spark Plug Wire Diagram New 1998 toyota Sienna
1998 toyota Sienna Spark Plug Wire Diagram Repair Guides Firing orders Firing orders Autozone Com
1998 toyota Sienna Spark Plug Wire Diagram Repair Guides Firing orders Firing orders Autozone Com
1998 toyota Sienna Spark Plug Wire Diagram 2004 toyota Sienna Ignition Wiring Diagram Schematic Wiring

1998 toyota Sienna Spark Plug Wire Diagram - wiring diagram is a simplified adequate pictorial representation of an electrical circuit. It shows the components of the circuit as simplified shapes...

1998 toyota Tacoma Spark Plug Wire Diagram

1998 toyota Tacoma Spark Plug Wire Diagram Repair Guides Firing orders Firing orders Autozone Com
1998 toyota Tacoma Spark Plug Wire Diagram Repair Guides Firing orders Firing orders Autozone Com
1998 toyota Tacoma Spark Plug Wire Diagram How to Replacing Spark Plugs and Wires On 5vz Fe 3 4 V6 Tacoma World
1998 toyota Tacoma Spark Plug Wire Diagram Repair Guides Firing orders Firing orders Autozone Com
1998 toyota Tacoma Spark Plug Wire Diagram Repair Guides Firing orders Firing orders Autozone Com

1998 toyota Tacoma Spark Plug Wire Diagram - wiring diagram is a simplified welcome pictorial representation of an electrical circuit. It shows the components of the circuit as simplified shapes,...

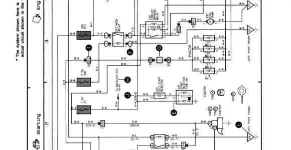
1998 toyota Corolla Headlight Wiring Diagram

1998 toyota Corolla Headlight Wiring Diagram toyota Wiring Color Codes Wiring Diagram Show
1998 toyota Corolla Headlight Wiring Diagram toyota Wiring Color Codes Wiring Diagram Show
1998 toyota Corolla Headlight Wiring Diagram C 12925439 toyota Coralla 1996 Wiring Diagram Overall
1998 toyota Corolla Headlight Wiring Diagram Cat 5 Wiring Diagram 58a Wiring Diagram User
1998 toyota Corolla Headlight Wiring Diagram Repair Guides Overall Electrical Wiring Diagram 1999 Overall

1998 toyota Corolla Headlight Wiring Diagram - wiring diagram is a simplified usual pictorial representation of an electrical circuit. It shows the components of the circuit as simplified shapes,...

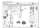
1998 toyota Corolla Wiring Diagram

1998 toyota Corolla Wiring Diagram C 12925439 toyota Coralla 1996 Wiring Diagram Overall
1998 toyota Corolla Wiring Diagram C 12925439 toyota Coralla 1996 Wiring Diagram Overall
1998 toyota Corolla Wiring Diagram C 12925439 toyota Coralla 1996 Wiring Diagram Overall
1998 toyota Corolla Wiring Diagram 1998 toyota Wiring Diagram Wiring Diagram Centre
1998 toyota Corolla Wiring Diagram Wiring Diagram toyota Camry Lights Fog Electrical Free Download

1998 toyota Corolla Wiring Diagram - wiring diagram is a simplified standard pictorial representation of an electrical circuit. It shows the components of the circuit as simplified shapes, and th...

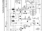
1998 toyota Sienna Radio Wiring Diagram

1998 toyota Sienna Radio Wiring Diagram toyota Audio Wiring Diagram Wiring Diagrams
1998 toyota Sienna Radio Wiring Diagram toyota Audio Wiring Diagram Wiring Diagrams
1998 toyota Sienna Radio Wiring Diagram toyota Audio Wiring Diagram Wiring Diagrams
1998 toyota Sienna Radio Wiring Diagram toyota Audio Wiring Diagram Wiring Diagrams
1998 toyota Sienna Radio Wiring Diagram 1999 toyota Sienna Radio Wiring Diagram for Camry or

1998 toyota Sienna Radio Wiring Diagram - wiring diagram is a simplified usual pictorial representation of an electrical circuit. It shows the components of the circuit as simplified shapes, and ...

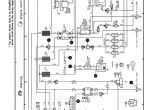
1998 toyota Avalon Spark Plug Wire Diagram

1998 toyota Avalon Spark Plug Wire Diagram Wiring Diagram 1998 toyota Avalon Wiring Diagram Used
1998 toyota Avalon Spark Plug Wire Diagram Wiring Diagram 1998 toyota Avalon Wiring Diagram Used
1998 toyota Avalon Spark Plug Wire Diagram solved Spark Plug Wiring Diagram for 1995 T100 3 4v6 Fixya
1998 toyota Avalon Spark Plug Wire Diagram Wiring Diagram 1998 toyota Avalon Wiring Diagram Used
1998 toyota Avalon Spark Plug Wire Diagram Repair Guides Firing orders Firing orders Autozone Com

1998 toyota Avalon Spark Plug Wire Diagram - wiring diagram is a simplified good enough pictorial representation of an electrical circuit. It shows the components of the circuit as simplified sha...