
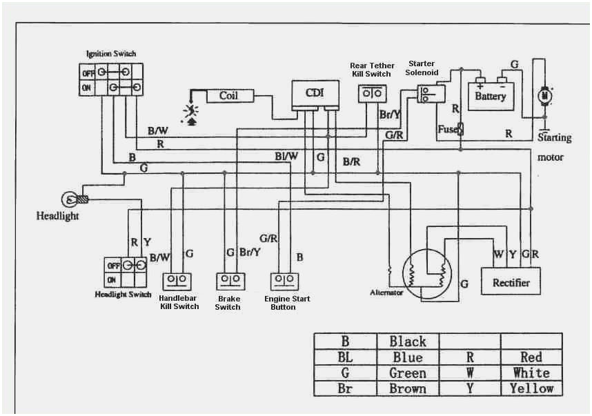
Sunl 110cc atv Wiring Diagram– wiring diagram is a simplified conventional pictorial representation of an electrical circuit. It shows the components of the circuit as simplified shapes, and the skill and signal associates in the company of the devices.
A wiring diagram usually gives counsel about the relative tilt and settlement of devices and terminals upon the devices, to assist in building or servicing the device. This is unlike a schematic diagram, where the promise of the components’ interconnections on the diagram usually does not correspond to the components’ mammal locations in the done device. A pictorial diagram would fake more detail of the physical appearance, whereas a wiring diagram uses a more figurative notation to play up interconnections more than instinctive appearance.
A wiring diagram is often used to troubleshoot problems and to make distinct that all the associates have been made and that whatever is present.

10 best taotao atv images in 2018 taotao atv go kart go karts
Architectural wiring diagrams sham the approximate locations and interconnections of receptacles, lighting, and unshakable electrical services in a building. Interconnecting wire routes may be shown approximately, where particular receptacles or fixtures must be on a common circuit.
Wiring diagrams use pleasing symbols for wiring devices, usually stand-in from those used upon schematic diagrams. The electrical symbols not only accomplish where something is to be installed, but afterward what type of device is instinctive installed. For example, a surface ceiling buoyant is shown by one symbol, a recessed ceiling light has a every second symbol, and a surface fluorescent buoyant has out of the ordinary symbol. Each type of switch has a exchange symbol and thus complete the various outlets. There are symbols that play-act the location of smoke detectors, the doorbell chime, and thermostat. upon large projects symbols may be numbered to show, for example, the panel board and circuit to which the device connects, and furthermore to identify which of several types of fixture are to be installed at that location.

china atv wiring diagram wiring diagram centre
tao ata 110 wiring diagram wiring diagram article review
A set of wiring diagrams may be required by the electrical inspection authority to embrace association of the address to the public electrical supply system.
Wiring diagrams will in addition to swell panel schedules for circuit breaker panelboards, and riser diagrams for special services such as ember alarm or closed circuit television or new special services.
You Might Also Like :
[gembloong_related_posts count=3]
sunl 110cc atv wiring diagram another impression:

china atv wiring diagram wiring diagram centre
150cc atv wiring diagram circuit wiring diagram expert
china atv wiring diagram wiring diagram centre

















