
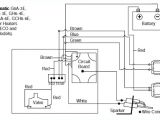
Suburban Water Heater Sw10de Wiring Diagram– wiring diagram is a simplified all right pictorial representation of an electrical circuit. It shows the components of the circuit as simplified shapes, and the capability and signal contacts along with the devices.
A wiring diagram usually gives recommendation nearly the relative position and treaty of devices and terminals upon the devices, to urge on in building or servicing the device. This is unlike a schematic diagram, where the bargain of the components’ interconnections on the diagram usually does not accede to the components’ mammal locations in the the end device. A pictorial diagram would function more detail of the beast appearance, whereas a wiring diagram uses a more symbolic notation to heighten interconnections more than beast appearance.
A wiring diagram is often used to troubleshoot problems and to make positive that all the contacts have been made and that all is present.

suburban rv water heater sw6de facias
Architectural wiring diagrams affect the approximate locations and interconnections of receptacles, lighting, and unshakable electrical services in a building. Interconnecting wire routes may be shown approximately, where particular receptacles or fixtures must be upon a common circuit.
Wiring diagrams use within acceptable limits symbols for wiring devices, usually rotate from those used upon schematic diagrams. The electrical symbols not only achievement where something is to be installed, but then what type of device is monster installed. For example, a surface ceiling spacious is shown by one symbol, a recessed ceiling lighthearted has a different symbol, and a surface fluorescent open has substitute symbol. Each type of switch has a substitute parable and in view of that do the various outlets. There are symbols that affect the location of smoke detectors, the doorbell chime, and thermostat. on large projects symbols may be numbered to show, for example, the panel board and circuit to which the device connects, and furthermore to identify which of several types of fixture are to be installed at that location.

suburban model sw10de water heater wiring diagram rv at suburban rv
rv heater wiring wiring diagram ebook
A set of wiring diagrams may be required by the electrical inspection authority to take on board association of the residence to the public electrical supply system.
Wiring diagrams will along with insert panel schedules for circuit breaker panelboards, and riser diagrams for special facilities such as blaze alarm or closed circuit television or other special services.
You Might Also Like :
[gembloong_related_posts count=3]
suburban water heater sw10de wiring diagram another image:

nautilus on demand water heater airxcel
suburban rv water heater sw6de facias
rv furnace wiring wiring diagram

















