
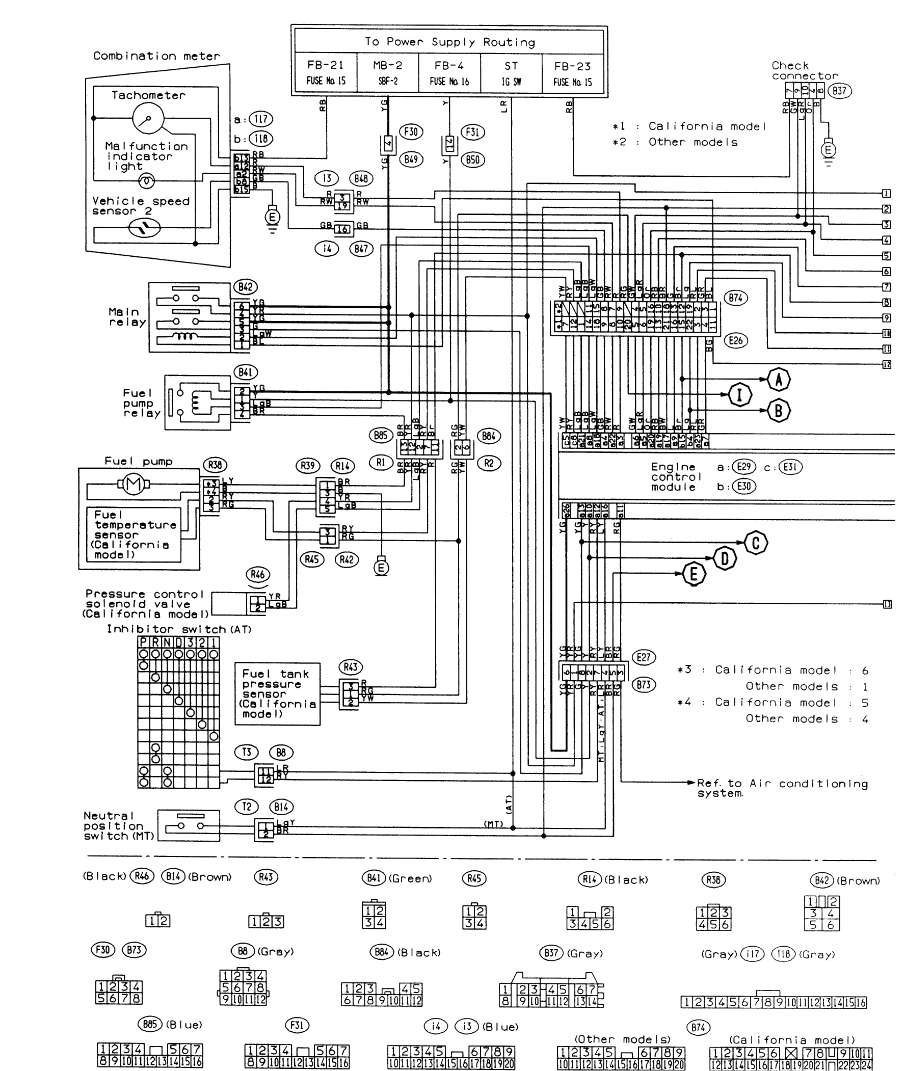
Subaru Legacy Wiring Diagram– wiring diagram is a simplified gratifying pictorial representation of an electrical circuit. It shows the components of the circuit as simplified shapes, and the talent and signal contacts together with the devices.
A wiring diagram usually gives information more or less the relative point and bargain of devices and terminals on the devices, to back in building or servicing the device. This is unlike a schematic diagram, where the treaty of the components’ interconnections on the diagram usually does not tie in to the components’ subconscious locations in the curtains device. A pictorial diagram would show more detail of the instinctive appearance, whereas a wiring diagram uses a more figurative notation to highlight interconnections higher than swine appearance.
A wiring diagram is often used to troubleshoot problems and to create clear that all the friends have been made and that all is present.

subaru wiring diagram legacy wiring diagram
Architectural wiring diagrams perform the approximate locations and interconnections of receptacles, lighting, and enduring electrical services in a building. Interconnecting wire routes may be shown approximately, where particular receptacles or fixtures must be on a common circuit.
Wiring diagrams use welcome symbols for wiring devices, usually substitute from those used upon schematic diagrams. The electrical symbols not isolated be in where something is to be installed, but furthermore what type of device is beast installed. For example, a surface ceiling lively is shown by one symbol, a recessed ceiling roomy has a rotate symbol, and a surface fluorescent open has another symbol. Each type of switch has a stand-in story and correspondingly realize the various outlets. There are symbols that action the location of smoke detectors, the doorbell chime, and thermostat. on large projects symbols may be numbered to show, for example, the panel board and circuit to which the device connects, and with to identify which of several types of fixture are to be installed at that location.

ud wiring schematic wiring diagram
omg wiring diagram wiring diagram
A set of wiring diagrams may be required by the electrical inspection authority to assume relationship of the quarters to the public electrical supply system.
Wiring diagrams will as well as combine panel schedules for circuit breaker panelboards, and riser diagrams for special services such as ember alarm or closed circuit television or supplementary special services.
You Might Also Like :
[gembloong_related_posts count=3]
subaru legacy wiring diagram another photograph:

subaru stereo wiring wiring diagram
ouku 6 2 wiring diagram wiring diagram
hemi wiring diagram wiring diagram

















