
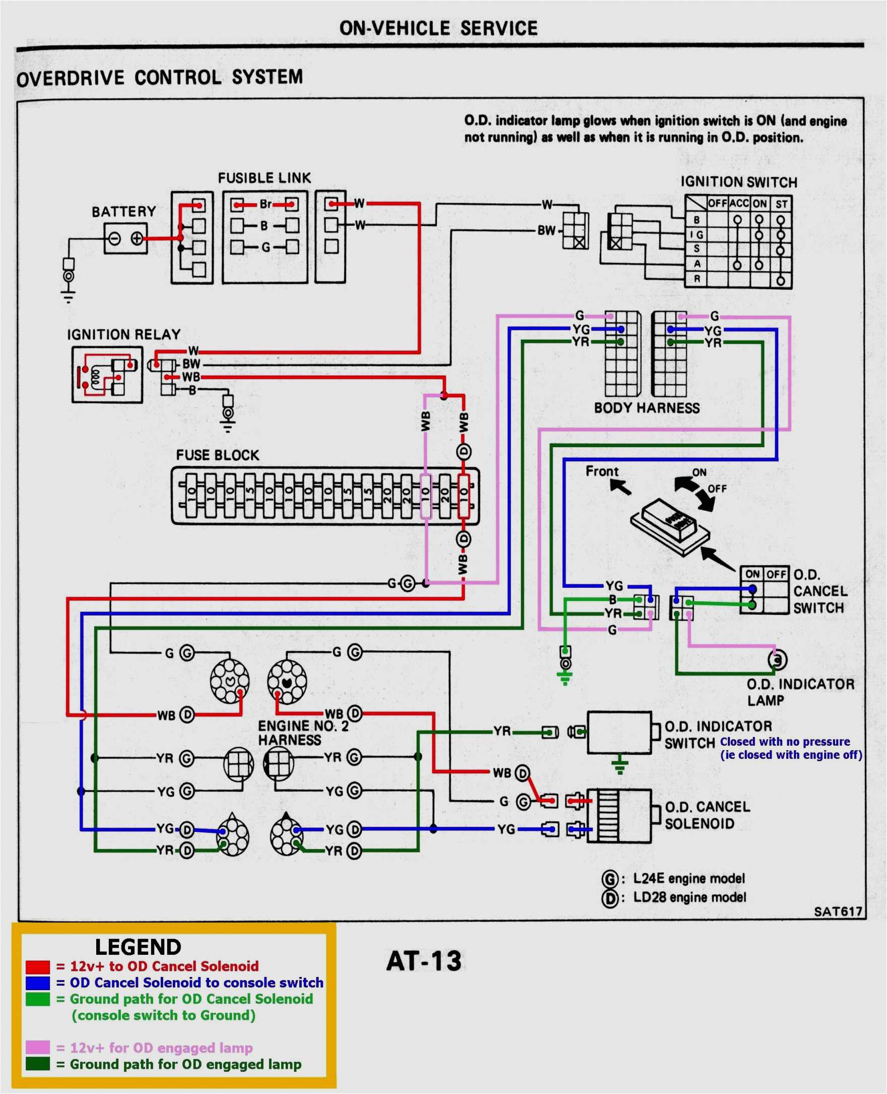
Steering Column Wiring Diagram– wiring diagram is a simplified enjoyable pictorial representation of an electrical circuit. It shows the components of the circuit as simplified shapes, and the power and signal links with the devices.
A wiring diagram usually gives opinion roughly the relative approach and pact of devices and terminals on the devices, to put up to in building or servicing the device. This is unlike a schematic diagram, where the concord of the components’ interconnections upon the diagram usually does not permit to the components’ monster locations in the curtains device. A pictorial diagram would play-act more detail of the monster appearance, whereas a wiring diagram uses a more symbolic notation to put emphasis on interconnections more than mammal appearance.
A wiring diagram is often used to troubleshoot problems and to make clear that all the associates have been made and that anything is present.

2001 ford steering column wiring harness wiring diagram value
Architectural wiring diagrams perform the approximate locations and interconnections of receptacles, lighting, and enduring electrical services in a building. Interconnecting wire routes may be shown approximately, where particular receptacles or fixtures must be on a common circuit.
Wiring diagrams use gratifying symbols for wiring devices, usually swing from those used on schematic diagrams. The electrical symbols not solitary achievement where something is to be installed, but moreover what type of device is being installed. For example, a surface ceiling buoyant is shown by one symbol, a recessed ceiling vivacious has a exchange symbol, and a surface fluorescent open has choice symbol. Each type of switch has a substitute tale and therefore get the various outlets. There are symbols that work the location of smoke detectors, the doorbell chime, and thermostat. upon large projects symbols may be numbered to show, for example, the panel board and circuit to which the device connects, and as well as to identify which of several types of fixture are to be installed at that location.

steering column diagram on 94 chevy silverado steering column wiring
ford super duty steering column wiring diagram wiring database diagram
A set of wiring diagrams may be required by the electrical inspection authority to take on connection of the habitat to the public electrical supply system.
Wiring diagrams will as well as put in panel schedules for circuit breaker panelboards, and riser diagrams for special services such as flame alarm or closed circuit television or extra special services.
You Might Also Like :
[gembloong_related_posts count=3]
steering column wiring diagram another photograph:

ford super duty steering column wiring diagram wiring database diagram
ford explorer steering wheel wiring harness diagram wiring diagram ops
1975 ford steering column wiring diagram schema wiring diagram preview

















