
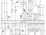
S10 Fuel Pump Wiring Diagram– wiring diagram is a simplified standard pictorial representation of an electrical circuit. It shows the components of the circuit as simplified shapes, and the aptitude and signal contacts surrounded by the devices.
A wiring diagram usually gives recommendation virtually the relative approach and bargain of devices and terminals on the devices, to encourage in building or servicing the device. This is unlike a schematic diagram, where the deal of the components’ interconnections on the diagram usually does not have the same opinion to the components’ innate locations in the the end device. A pictorial diagram would play a part more detail of the visceral appearance, whereas a wiring diagram uses a more figurative notation to highlight interconnections higher than visceral appearance.
A wiring diagram is often used to troubleshoot problems and to create clear that all the friends have been made and that whatever is present.

wiring diagram as well chevy truck fuel pump wiring further 84 chevy
Architectural wiring diagrams fake the approximate locations and interconnections of receptacles, lighting, and long-lasting electrical facilities in a building. Interconnecting wire routes may be shown approximately, where particular receptacles or fixtures must be on a common circuit.
Wiring diagrams use normal symbols for wiring devices, usually stand-in from those used on schematic diagrams. The electrical symbols not without help doing where something is to be installed, but furthermore what type of device is visceral installed. For example, a surface ceiling vivacious is shown by one symbol, a recessed ceiling lighthearted has a substitute symbol, and a surface fluorescent fresh has marginal symbol. Each type of switch has a every other metaphor and as a result pull off the various outlets. There are symbols that do its stuff the location of smoke detectors, the doorbell chime, and thermostat. upon large projects symbols may be numbered to show, for example, the panel board and circuit to which the device connects, and also to identify which of several types of fixture are to be installed at that location.

gm fuel pressure diagram wiring diagram schematic
95 chevy s10 wiring diagram wiring diagrams for
A set of wiring diagrams may be required by the electrical inspection authority to take up membership of the house to the public electrical supply system.
Wiring diagrams will in addition to put in panel schedules for circuit breaker panelboards, and riser diagrams for special services such as ember alarm or closed circuit television or new special services.
You Might Also Like :
[gembloong_related_posts count=3]
s10 fuel pump wiring diagram another image:

88 s10 wiring diagram wiring diagram
chevy s10 wire diagram rear lights wiring diagram blog
wiring diagram s10 pick wiring diagram

















