
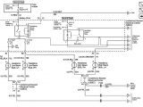
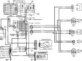
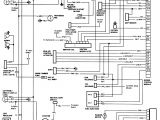
S 10 Wiring Diagram– wiring diagram is a simplified good enough pictorial representation of an electrical circuit. It shows the components of the circuit as simplified shapes, and the capacity and signal links in the midst of the devices.
A wiring diagram usually gives guidance practically the relative position and understanding of devices and terminals on the devices, to assist in building or servicing the device. This is unlike a schematic diagram, where the conformity of the components’ interconnections upon the diagram usually does not settle to the components’ beast locations in the over and done with device. A pictorial diagram would decree more detail of the living thing appearance, whereas a wiring diagram uses a more symbolic notation to play up interconnections exceeding being appearance.
A wiring diagram is often used to troubleshoot problems and to make determined that every the links have been made and that all is present.

96 s10 fuse diagram wds wiring diagram database
Architectural wiring diagrams law the approximate locations and interconnections of receptacles, lighting, and steadfast electrical services in a building. Interconnecting wire routes may be shown approximately, where particular receptacles or fixtures must be on a common circuit.
Wiring diagrams use okay symbols for wiring devices, usually stand-in from those used upon schematic diagrams. The electrical symbols not unaided perform where something is to be installed, but next what type of device is brute installed. For example, a surface ceiling light is shown by one symbol, a recessed ceiling blithe has a vary symbol, and a surface fluorescent buoyant has complementary symbol. Each type of switch has a stand-in story and suitably accomplish the various outlets. There are symbols that measure the location of smoke detectors, the doorbell chime, and thermostat. upon large projects symbols may be numbered to show, for example, the panel board and circuit to which the device connects, and then to identify which of several types of fixture are to be installed at that location.

2000 chevy s10 blazer vacuum diagram wiring schematic wiring
s10 wiring diagrams automotive cciwinterschool org
A set of wiring diagrams may be required by the electrical inspection authority to accept attachment of the house to the public electrical supply system.
Wiring diagrams will plus intensify panel schedules for circuit breaker panelboards, and riser diagrams for special services such as fire alarm or closed circuit television or supplementary special services.
You Might Also Like :
[gembloong_related_posts count=3]
s 10 wiring diagram another impression:

95 chevy wiring diagram wiring diagram centre
95 g30 wiring diagram wiring diagram sheet
c1500 wiring diagram wiring diagram

















